Vocaline JRC-400, JRC-425
Documentation Project

CBTricks.com

TIPS:
You need to have Acrobat Reader version 5 or newer installed to view the files with icon.

If the files with or icon will not display see the Site FAQ for help on printing and using this information.


Click to See Closeup

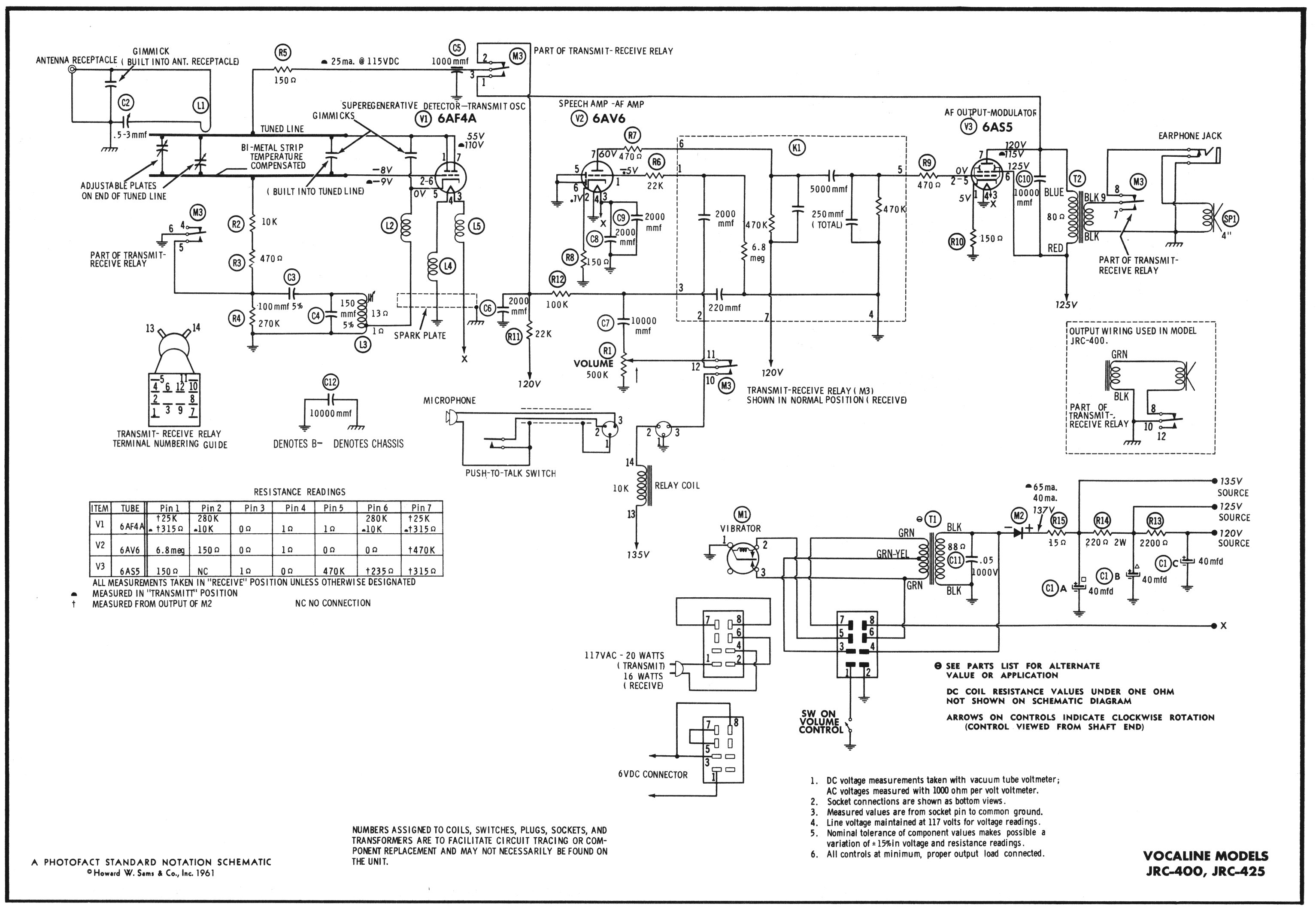
Service Information From Sam's Photofact Vol. #2
     Page 149 to 152

Diagrams From Sam's Photofact Vol. #2
     Schematic (8.5x11)
     Schematic


 

 

 



Copyright © 1998, 1999, 2000, 2001, 2002, 2003, 2004, 2005 CBTricks.com

Disclaimer: Although the greatest care has been taken while compiling these documents,

we cannot guarantee that the instructions will work on every radio presented.