Uniden PRO520E (UT-317A)
Documentation Project

CBTricks.com

TIPS:
You need to have Acrobat Reader version 5 or newer installed to view the files with icon.

If the files with or icon will not display see the Site FAQ for help on printing and using this information.

SPECIFICATIONS
     General
     Transmitter
     Receiver


 

MANUALS
      Service Manual
      Chassis Wiring Diagram
      PCB Layout
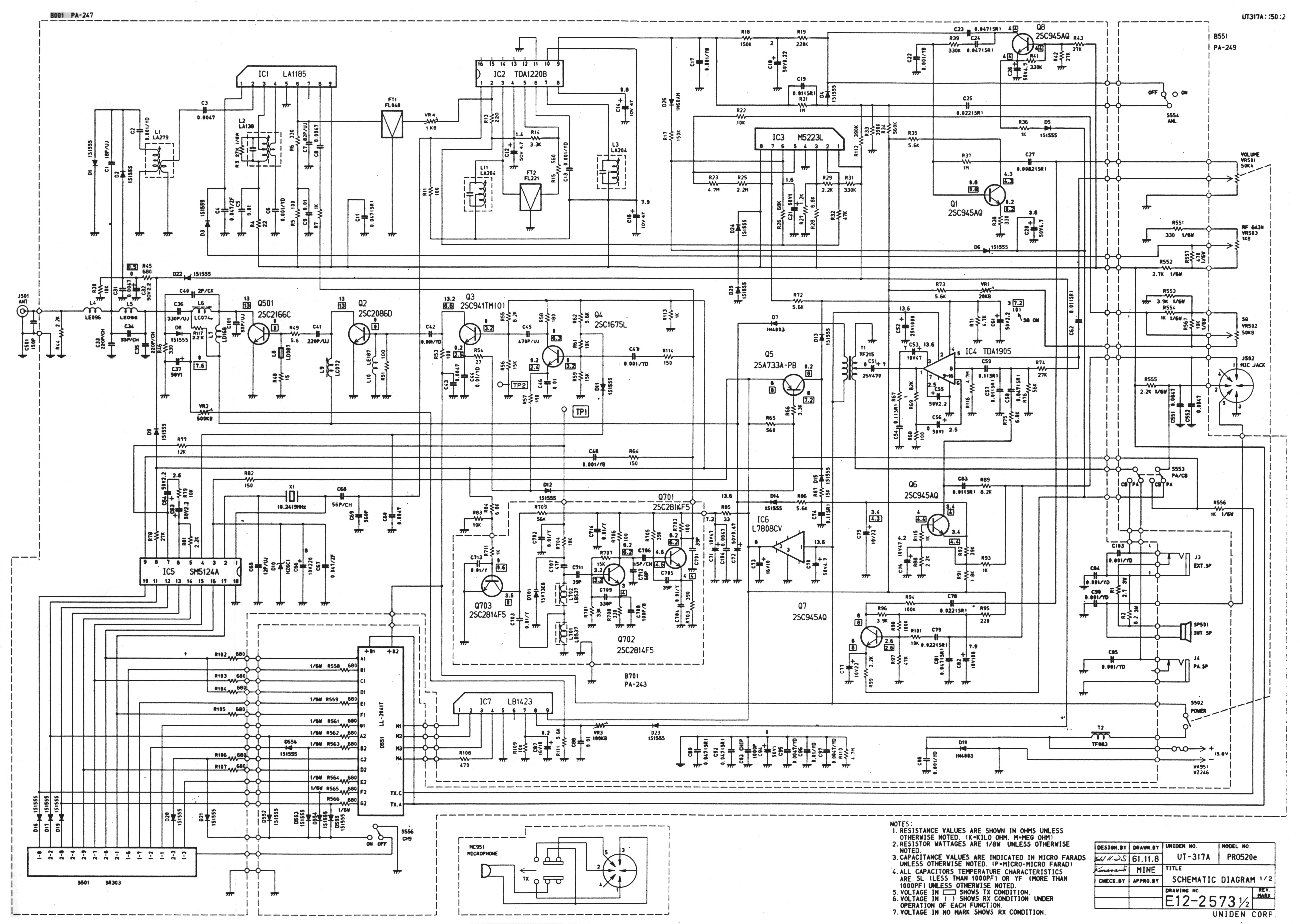
      Schematic Diagram
      Schematic Diagram

ALIGNMENT PROCEDURES
     PLL & Receiver Alignment
     Transmitter Alignment
     Alignment Locations Layout
     Channel Frequency Generation Chart
     

SEMICONDUCTOR VOLTAGE CHARTS
     Integrated Circuits Voltage Chart

DIAGRAMS
    Block Diagram
    PRO520e Schematic Diagram
    
Main PCB Layout
    VCO PCB Layout
    Front PCB Layout
    Main PCB Wiring
    Semiconductor Lead Identification
    Integrated Circuits Internal Diagrams
                     

PARTS LISTS
    Capacitors
    Switches, Coils, Transformers, Crystals, Filters
    Resistors
    Diodes, IC's, Transistors
    Miscellaneous

 

 


Copyright © 1998,1999,2000 CBTricks.com

Disclaimer: Although the greatest care has been taken while compiling these documents,

we cannot guarantee that the instructions will work on every radio presented.