Uniden PRO-310e
Documentation Project

CBTricks.com

TIPS:
You need to have Acrobat Reader version 5 or newer installed to view the files with icon.

If the files with or icon will not display see the Site FAQ for help on printing and using this information.


 

Service Manual
     Page 1 to 19
     Page 20 to 42

Diagrams
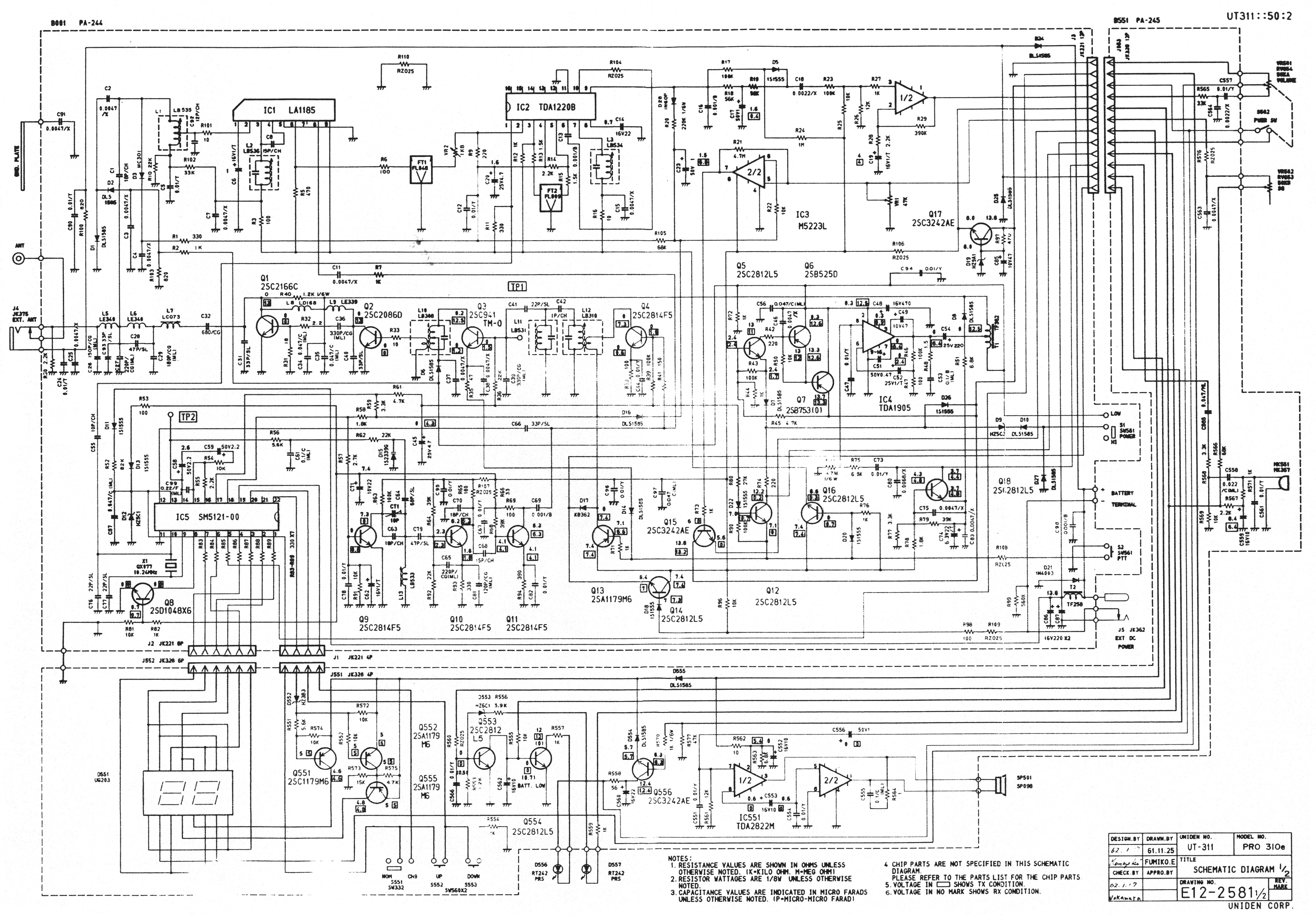
      Schematic Diagram
      Schematic Diagram
      Chassis Wiring Diagram
      LED PCB Layout
      Main PCB Layout

 


 


Copyright © 1998,1999,2000,2002 CBTricks.com

Disclaimer: Although the greatest care has been taken while compiling these documents,

we cannot guarantee that the instructions will work on every radio presented.