Uniden PC122
Documentation Project
CBTricks.com

TIPS:
You need to have Acrobat Reader version 5 or newer installed to view the files with icon.

If the files with or icon will not display see the Site FAQ for help on printing and using this information.



 

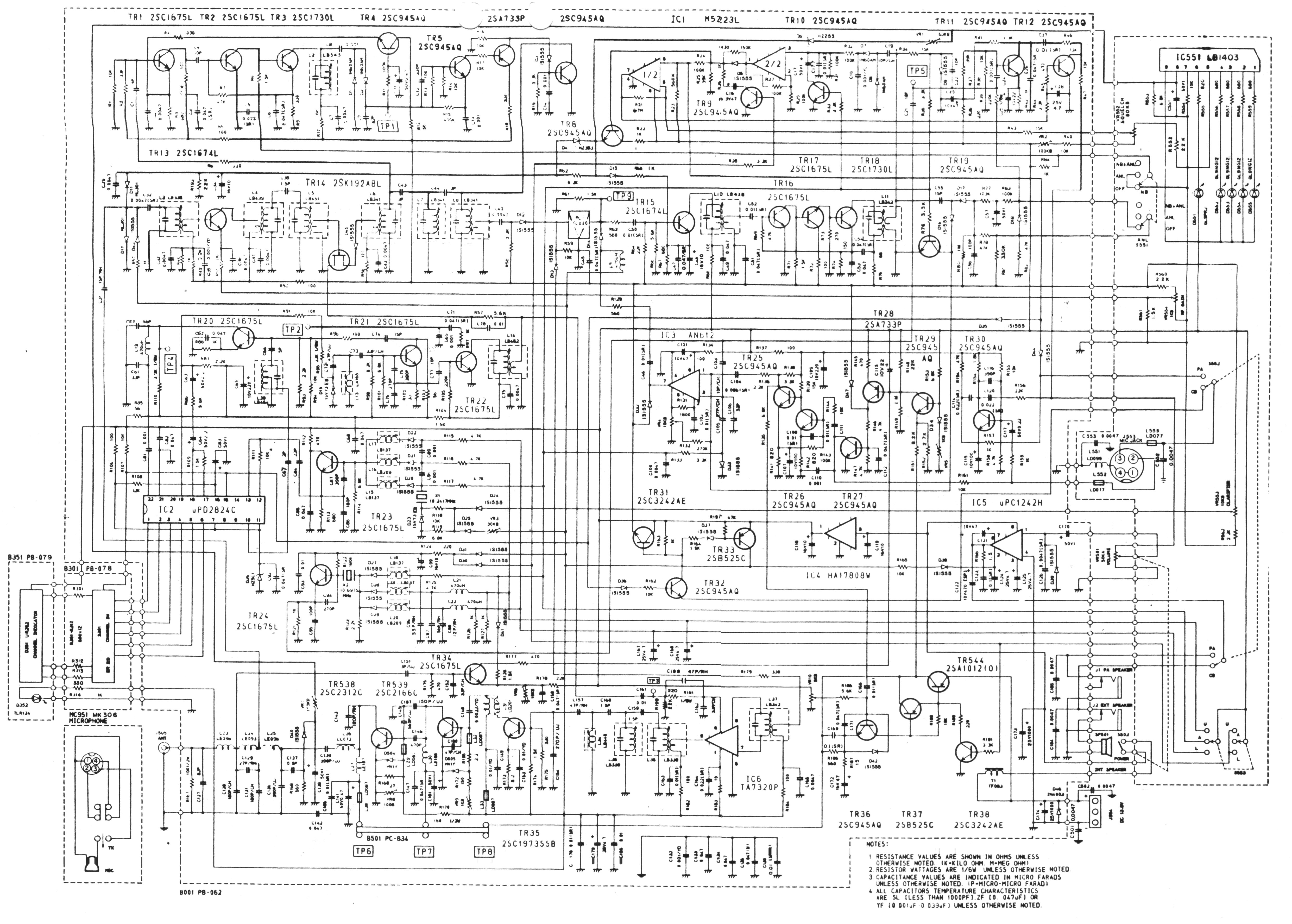
Diagrams (All I had was a copy of a copy so these scans are not that good I will re-scan when I find a better copy of the schematic)
     Schematic Diagram
     Schematic Diagram
     Main PCB Layout

Alignment (Courtesy of David at DTB Radio)
Set for channel 20
Connect freq counter to TP3, located on left side of radio between L14 and L36. It is a bare resistor lead.

AM adjust L15 for 16.510 mhz +/- 20hz
USB set L16 for 16.5125 mhz +/- 20hz
LSN set L17 for 16.5075 mhz +/- 20hz

AM TX adjust VR3 for 16.510 mhz +/- 20hz

Connect counter to TP5, bare resistor located near IC3.

AM TX, set L18 for 10.695 mhz +/- 20hz
LSB TX set L20 for 10.6975 mhz +/- 20hz
USB TX set L19 for 10.6925 mhz +/- 20hz

Using normal bias connection procedures as for other SSB radios, set driver for about 30 ma, and final for about 50 ma

Tune transmit and receive as you normally would.



 



Copyright © 1998, 1999, 2000, 2001, 2002, 2003, 2004, 2005 CBTricks.com

Disclaimer: Although the greatest care has been taken while compiling these documents,

we cannot guarantee that the instructions will work on every radio presented.