Teaberry Stalker III
Documentation Project
CBTricks.com

TIPS:
You need to have Acrobat Reader version 5 or newer installed to view the files with icon.

If the files with or icon will not display see the Site FAQ for help on printing and using this information.



 

Service Manual

Diagrams
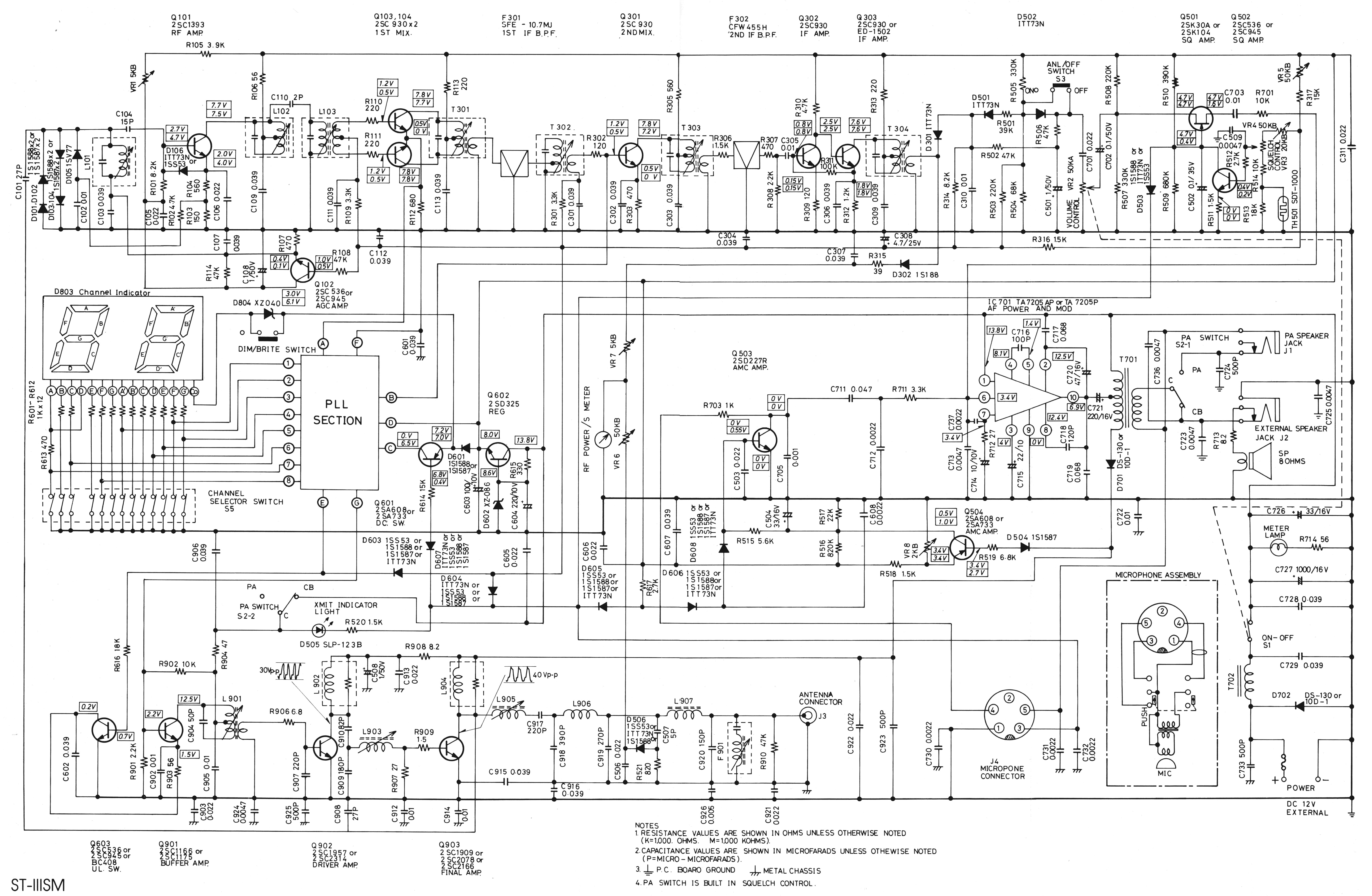
   Schematic Diagram
   Schematic Diagram
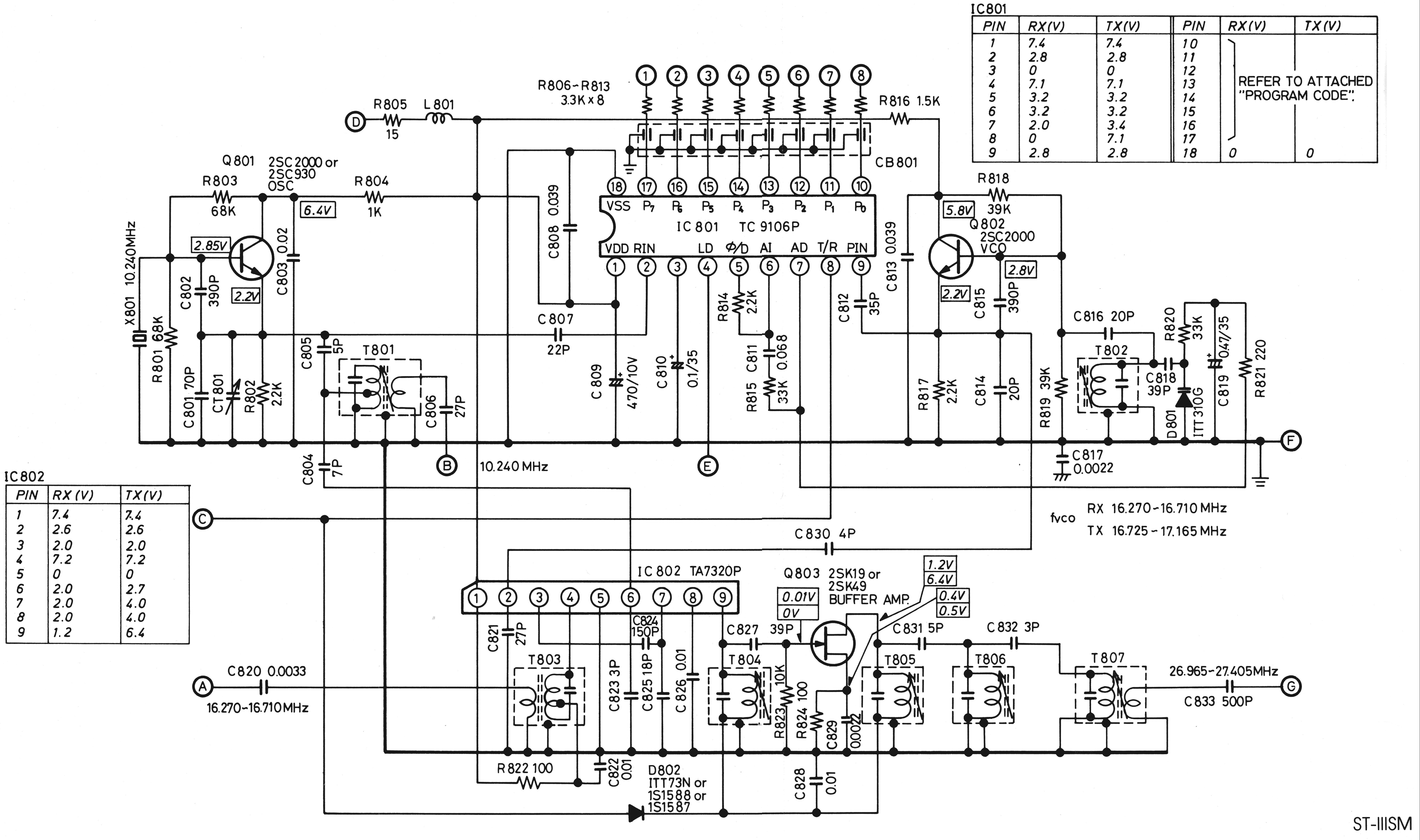
   PLL Schematic Diagram
   PLL Schematic Diagram
   Chassis Wiring Diagram
   PCB Layout

 



Copyright © 1998, 1999, 2000, 2001, 2002, 2003, 2004, 2005 CBTricks.com

Disclaimer: Although the greatest care has been taken while compiling these documents,

we cannot guarantee that the instructions will work on every radio presented.