Sonar Model G
Documentation Project

CBTricks.com

TIPS:
You need to have Acrobat Reader version 5 or newer installed to view the files with icon.

If the files with or icon will not display see the Site FAQ for help on printing and using this information.

Pictures Of the Radio



Vintage Advertising

Owner's Manual (Early Version)

Owner's Manual (Later Version)

Diagrams
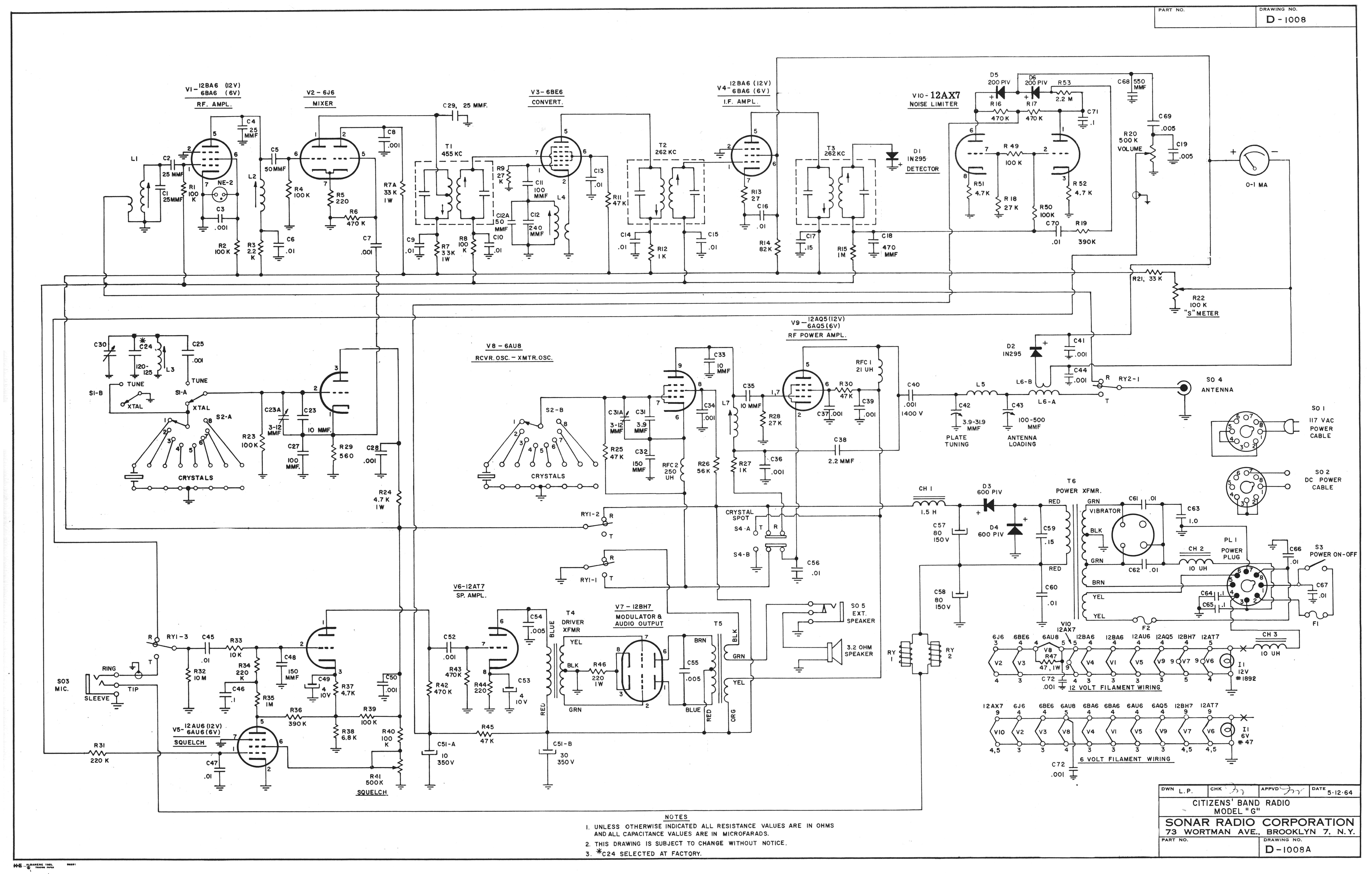
    Schematic Diagram
    Schematic Diagram

 

 

 



Copyright © 1998, 1999, 2000, 2001, 2002, 2003, 2004, 2005 CBTricks.com

Disclaimer: Although the greatest care has been taken while compiling these documents,

we cannot guarantee that the instructions will work on every radio presented.