Royce 1-636
Documentation Project

CBTricks.com

TIPS:
You need to have Acrobat Reader version 5 or newer installed to view the files with icon.

If the files with or icon will not display see the Site FAQ for help on printing and using this information.



Manuals
    Owner's Manual
    Page 1 to 8
    Page 9 to 16

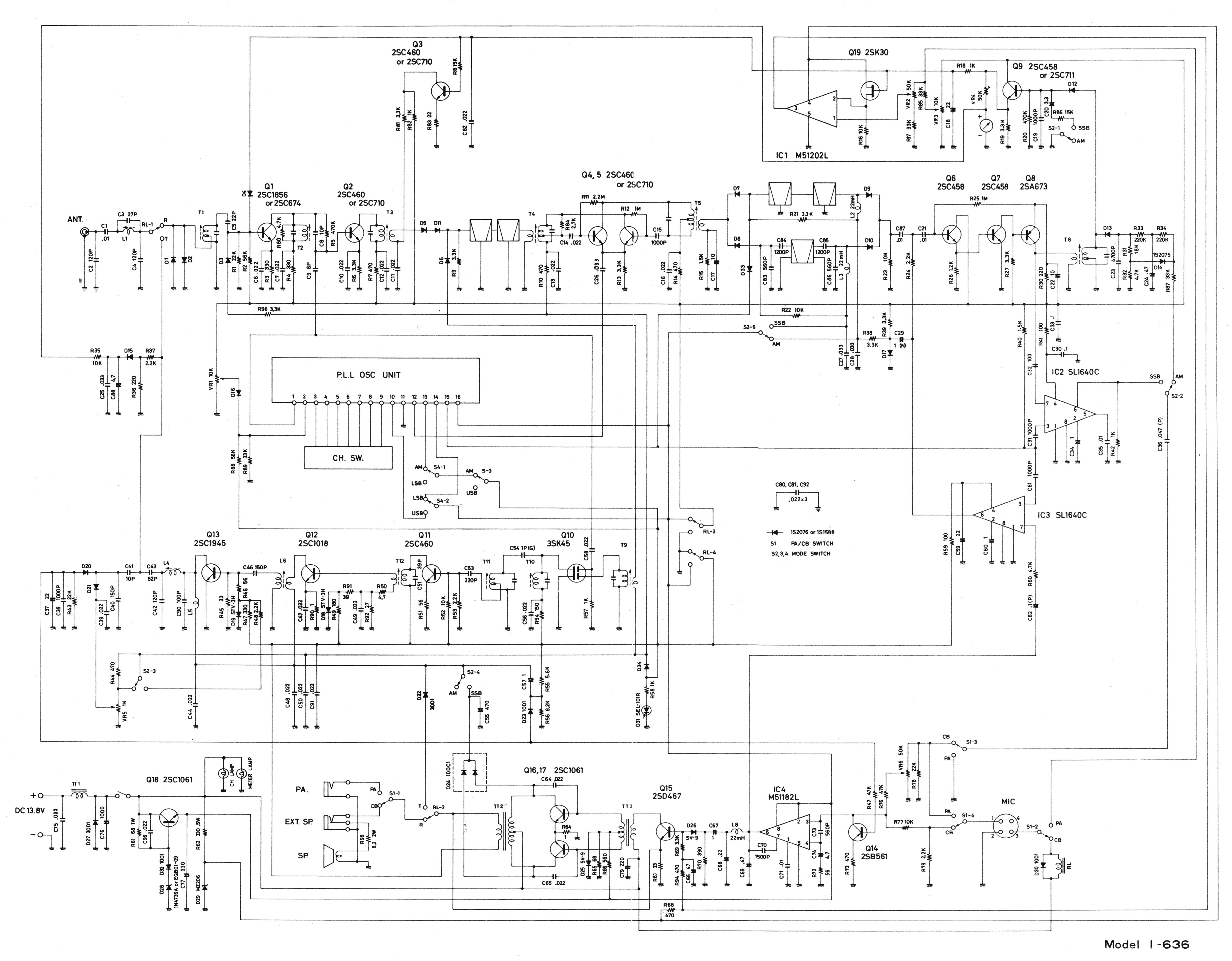
Diagrams
    Schematic
    Schematic

RADIO MODIFICATIONS
      Royce 1-636 SSB Unlocking the clarifier.

Open radio and locate LSB switch.
Power up radio while open and find the pin on the LSB switch which has constant 9 volts RX and TX.
Mark or remember which pin and turn off power suppy to radio.
Find white wire going from the clarifier to the pc board. Unsolder or snip end of white wire at the pc board end. Solder that end of wire to the 9 volt pin on the LSB switch. Remove R88.

Audio Mod.
Find R73 (470 ohm) and replace with 2.7k resistor.


 



Copyright © 1998, 1999, 2000, 2001, 2002, 2003, 2004, 2005, 2006 CBTricks.com

Disclaimer: Although the greatest care has been taken while compiling these documents,

we cannot guarantee that the instructions will work on every radio presented.