Realisitic TRC-476
Documentation Project

CBTricks.com

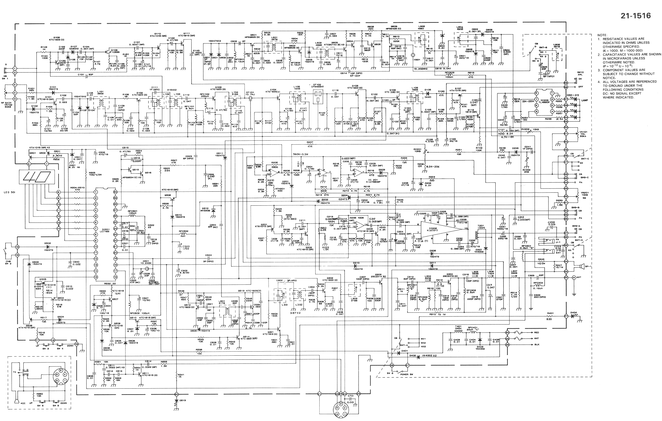
TRC-476 Schematic Diagram