Realisitic TRC-430
Documentation Project

CBTricks.com

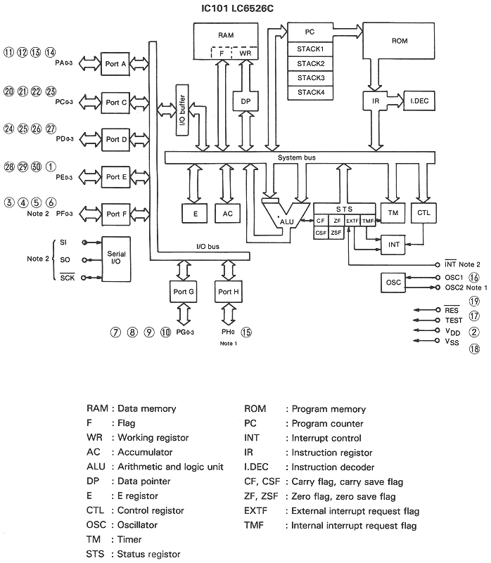
IINTEGRATED CIRCUITS INTERNAL DIAGRAM IC101