RCA 14T300, 14T301
Documentation Project

CBTricks.com

TIPS:
You need to have Acrobat Reader version 5 or newer installed to view the files with icon.

If the files with or icon will not display see the Site FAQ for help on printing and using this information.



Factory Service Manual
       Cover Page
       Page 2 to 12

       Page 13 to 23


Diagrams

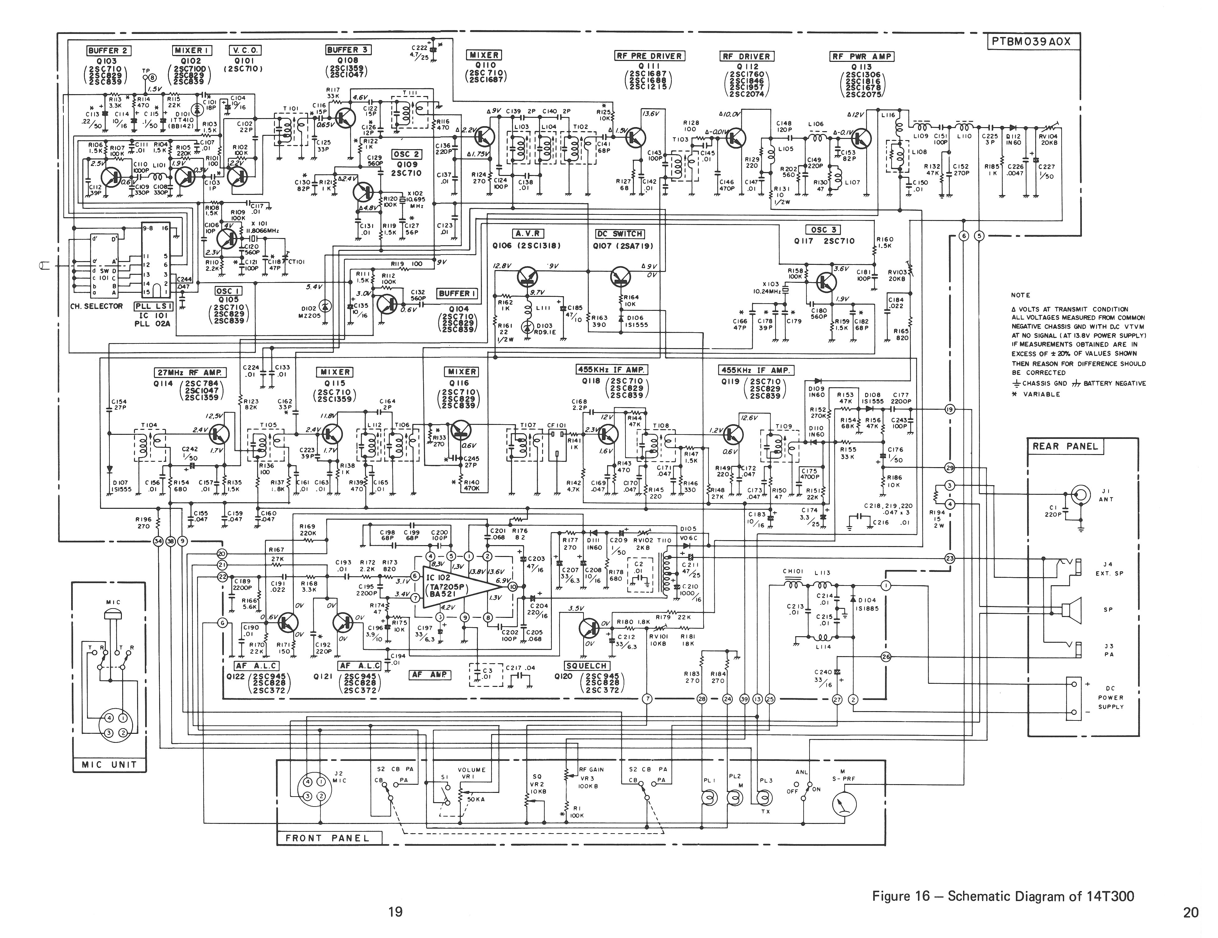
14T300 Schematic
       Page 19 / 20
       Page 19 / 20

14T301 Schematic
       Page 20 / 21
       Page 20 / 21


Service Bulletins
       77-004
       77-005
       77-006



 

 

 



Copyright © 1998, 1999, 2000, 2001, 2002, 2003, 2004, 2005 CBTricks.com

Disclaimer: Although the greatest care has been taken while compiling these documents,

we cannot guarantee that the instructions will work on every radio presented.