RCA Co-Pilot 14T100, 14T200
Documentation Project

CBTricks.com

TIPS:
You need to have Acrobat Reader version 5 or newer installed to view the files with icon.

If the files with or icon will not display see the Site FAQ for help on printing and using this information.



Factory Service Manual
       Cover Page
       Page 2 to 16

       Page 17 to 19

       Page 22 to 23

       Field Service Bulletin 76-001

Diagrams
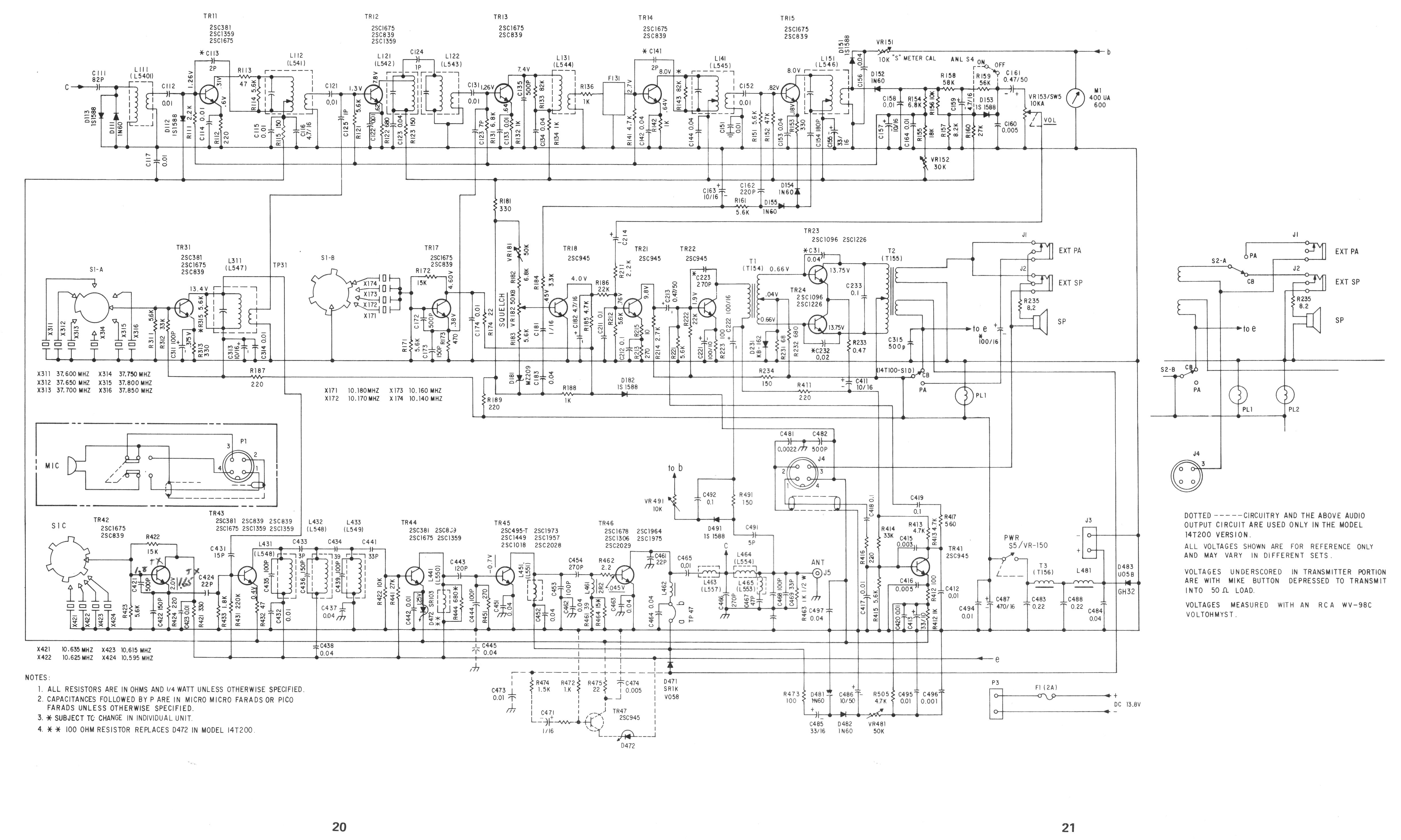
       Page 20 / 21 (Schematic)
       Page 20 / 21
(Schematic)

 

 

 



Copyright © 1998, 1999, 2000, 2001, 2002, 2003, 2004, 2005 CBTricks.com

Disclaimer: Although the greatest care has been taken while compiling these documents,

we cannot guarantee that the instructions will work on every radio presented.