International Crystal "Model 750H, 750HB, 750HB2, 750HM2"
Documentation Project

CBTricks.com

TIPS:
You need to have Acrobat Reader version 5 or newer installed to view the files with icon.

If the files with or icon will not display see the Site FAQ for help on printing, viewing and using this information.

 




Click picture to see close-up

Picture Tour of Radio

Vintage Advertising

Owners / Service Manual
     Page 1 to 20
     Page 21 to 40
     Page 41 to 67


DIAGRAMS
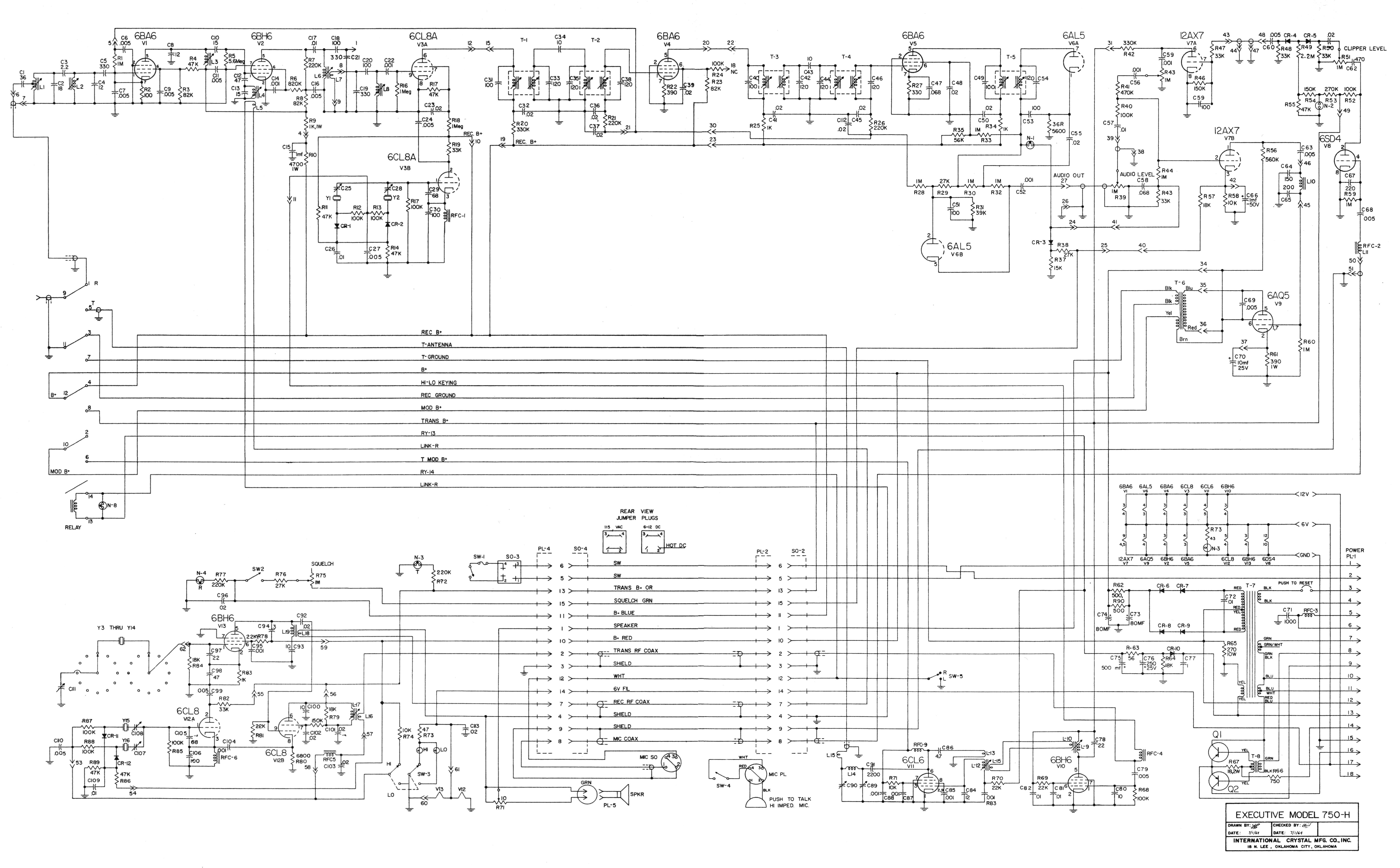
     Main Schematic Diagram (11x17)
     Main Schematic Diagram

 

 



Copyright © 1998-2009 CBTricks.com

Disclaimer: CBTricks.com does not warrant the accuracy of the information contained herein nor is it responsible
for any errors or omissions and assumes no liability for the content on this site.
While the CBTricks.com uses reasonable efforts to include accurate and up to date information, CBTricks.com makes no warranties or representations as to its accuracy
or timeliness and assumes no liability or responsibility for any errors or omissions in the Content of this site.

http://www.cbtricks.com