Galaxy
DX Radios "Galaxy Plus"
Documentation Project
CBTricks.com
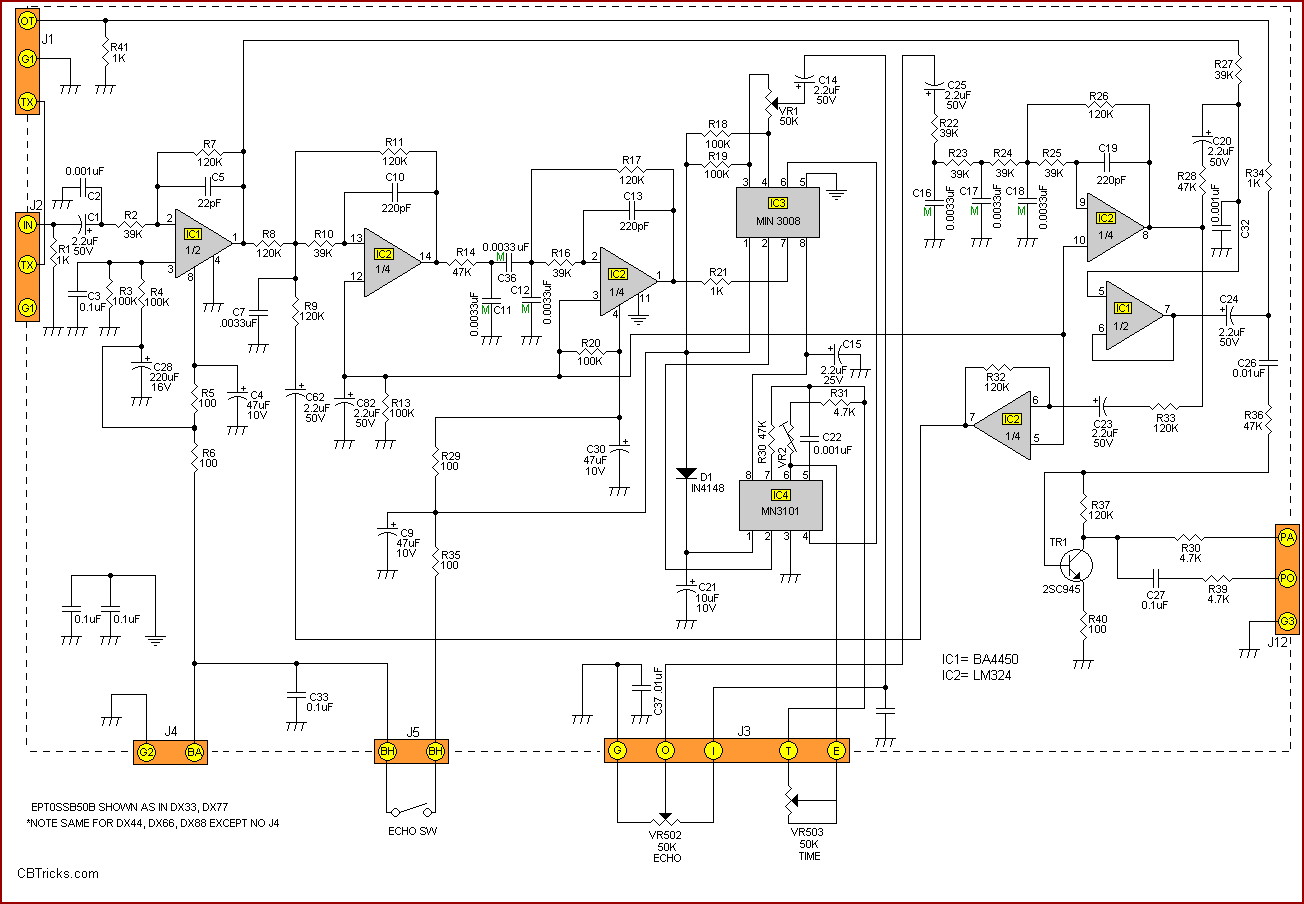
Echo
PCB (EPT0SSB50B) Board Layout
Schematic
Diagram


|
Ref#
|
Description |
MFR.
Part No.
|
|
ECHO P.C.B. EPT0SSB50B |
#T-118C-P02 |
|
|
ECHO P.C.B. 98x80x1.6tmm (S) |
EPT0SSB50B |
Potentiometers
|
Ref#
|
Description |
MFR.
Part No.
|
|
VR1 |
S/F/R VM6CK PV(1S) B50K |
RE50300056 |
Resistors
|
Ref#
|
Description |
MFR.
Part No.
|
|
R1 |
C/F/R F-TYPE 1K OHM 1/4W U |
RCU141024Z |
|
R2 |
C/F/R 39K OHM 1/4W U |
RCU143934Z |
|
R3 |
C/F/R F-TYPE 100K OHM 1/4W U |
RCU141044Z |
|
R4 |
C/F/R 100K OHM 1/4W M |
RCM141044A |
|
R5 |
C/F/R 100 OHM 1/4W M |
RCM141014B |
|
R6 |
C/F/R F-TYPE 100 OHM 1/4W U |
RCU141014Z |
|
R7 |
C/F/R 120K OHM 1/4W U |
RCU141244Z |
|
R8 |
C/F/R 120K OHM 1/4W U |
RCU141244Z |
|
R9 |
C/F/R 120K OHM 1/4W U |
RCU141244Z |
|
R10 |
C/F/R 39K OHM 1/4W U |
RCU143934Z |
|
R11 |
C/F/R 120K OHM 1/4W U |
RCU141244Z |
|
R13 |
C/F/R F-TYPE 100K OHM 1/4W U |
RCU141044Z |
|
R14 |
C/F/R 47K OHM 1/4W U |
RCU144734Z |
|
R16 |
C/F/R 39K OHM 1/4W U |
RCU143934Z |
|
R17 |
C/F/R 120K OHM 1/4W U |
RCU141244Z |
|
R18 |
C/F/R F-TYPE 100K OHM 1/4W U |
RCU141044Z |
|
R19 |
C/F/R F-TYPE 100K OHM 1/4W U |
RCU141044Z |
|
R20 |
C/F/R 68K OHM 1/4W U |
RCU146834Z |
|
R21 |
C/F/R F-TYPE 1K OHM 1/4W U |
RCU141024Z |
|
R22 |
C/F/R 39K OHM 1/4W U |
RCU143934Z |
|
R23 |
C/F/R 39K OHM 1/4W U |
RCU143934Z |
|
R24 |
C/F/R 39K OHM 1/4W U |
RCU143934Z |
|
R25 |
C/F/R 39K OHM 1/4W U |
RCU143934Z |
|
R26 |
C/F/R 120K OHM 1/4W U |
RCU141244Z |
|
R27 |
C/F/R 39K OHM 1/4W U |
RCU143934Z |
|
R28 |
C/F/R 47K OHM 1/4W U |
RCU144734Z |
|
R29 |
C/F/R F-TYPE 100 OHM 1/4W U |
RCU141014Z |
|
R30 |
C/F/R 47K OHM 1/4W U |
RCU144734Z |
|
R31 |
C/F/R F-TYPE 4.7K OHM 1/4W U |
RCU144724Z |
|
R32 |
C/F/R 120K OHM 1/4W U |
RCU141244Z |
|
R33 |
C/F/R 120K OHM 1/4W U |
RCU141244Z |
|
R34 |
C/F/R F-TYPE 1K OHM 1/4W U |
RCU141024Z |
|
R35 |
C/F/R F-TYPE 100 OHM 1/4W U |
RCU141014Z |
|
R41 |
C/F/R F-TYPE 1K OHM 1/4W U |
RCU141024Z |
Capacitors
|
Ref#
|
Description |
MFR.
Part No.
|
|
C1 |
E/C 2.2UF 50WV Z |
CE0502257Z |
|
C2 |
C/C 0.001UF 50WV SL Z |
CC0501027L |
|
C3 |
C/C 0.1UF 50WV SL Z |
CC0501047L |
|
C4 |
E/C 47UF 10WV Z |
CE0104767Z |
|
C5 |
C/C 220PF 50WV SL K |
CC0502215L |
|
C6 |
E/C 2.2UF 50WV Z |
CE0502257Z |
|
C7 |
M/C 0.0033UF 50WV K |
CM0503325Z |
|
C8 |
E/C 2.2UF 50WV Z |
CE0502257Z |
|
C9 |
E/C 47UF 10WV Z |
CE0104767Z |
|
C10 |
C/C 220PF 50WV SL K |
CC0502215L |
|
C11 |
M/C 0.0033UF 50WV K |
CM0503325Z |
|
C12 |
M/C 0.0033UF 50WV K |
CM0503325Z |
|
C13 |
C/C 220PF 50WV SL K |
CC0502215L |
|
C14 |
E/C 2.2UF 50WV Z |
CE0502257Z |
|
C15 |
E/C 2.2UF 50WV Z |
CE0502257Z |
|
C16 |
M/C 0.0033UF 50WV K |
CM0503325Z |
|
C17 |
M/C 0.0033UF 50WV K |
CM0503325Z |
|
C18 |
M/C 0.0033UF 50WV K |
CM0503325Z |
|
C19 |
C/C 220PF 50WV SL K |
CC0502215L |
|
C20 |
E/C 2.2UF 50WV Z |
CE0502257Z |
|
C21 |
E/C 10UF 25WV Z |
CE0251067Z |
|
C22 |
M/C 0.001UF 50WV K |
CM0501025Z |
|
C23 |
E/C 2.2UF 50WV Z |
CE0502257Z |
|
C24 |
E/C 2.2UF 50WV Z |
CE0502257Z |
|
C25 |
E/C 2.2UF 50WV Z |
CE0502257Z |
|
C28 |
E/C 220UF 16WV Z |
CE0162277Z |
|
C30 |
E/C 47UF 10WV Z |
CE0104767Z |
|
C31 |
C/C 0.001UF 50WV SL Z |
CC0501027L |
|
C32 |
C/C 0.001UF 50WV SL Z |
CC0501027L |
|
C33 |
C/C 0.1UF 50WV SL Z |
CC0501047L |
|
C34 |
C/C 0.1UF 50WV SL Z |
CC0501047L |
|
C35 |
C/C 0.1UF 50WV SL Z |
CC0501047L |
|
C36 |
M/C 0.0033UF 50WV K |
CM0503325Z |
Diodes
|
Ref#
|
Description |
MFR.
Part No.
|
|
D1 |
DIODE 1N4148 |
ED1N04148Z |
Integrated Circuits
|
Ref#
|
Description |
MFR.
Part No.
|
|
IC1 |
I.C.(SONY) CXA4558P |
ENSO04558P |
|
IC2 |
I.C.(JRC) NJM324D 14PIN |
ENJR00324D |
|
IC3 |
I.C.(MATSUSHITA) MN3008 8PIN |
ENMA03008Z |
|
IC4 |
I.C.(MATSUSHITA) MN3101 8PIN |
ENMA03101Z |
Connectors
|
Ref#
|
Description |
MFR.
Part No.
|
|
J1 |
PCB CONNECTOR/S 3P T PH=2.5 |
EX07N41216 |
|
J1 |
WIRE CONNECTOR/H 3P-3P L=130MM |
EX07N48820 |
|
J2 |
PCB CONNECTOR/S 3P T PH=2.5(WHITE) |
EX07N41227 |
|
J3 |
PCB CONNECTOR/S 6P T PH=2.5 |
EX07N41266 |
|
J3 |
WIRE CONNECTOR/H 6P L=250mm PH=2.5 |
EX07N48446 |
|
J4 |
PCB CONNECTOR/S 2P T PH=2.5(WHITE) |
EX07N41330 |
|
J4 |
WIRE CONNECTOR/H 2P L=180MM |
EX07N48041 |
|
J5 |
PCB CONNECTOR/S 2P PH=2.5 |
EX07N41226 |
|
J5 |
WIRE CONNECTOR/H 2P L=250mm |
EX07N48279 |
Jumper Wire
|
Ref#
|
Description |
MFR.
Part No.
|
|
J6 |
JUMPER WIRE 7x5x7mm |
WX01070705 |
|
J7 |
JUMPER WIRE 7x5x7mm |
WX01070705 |
|
J8 |
JUMPER WIRE 7x10x7mm |
WX01070710 |
|
J9 |
JUMPER WIRE 7x10x7mm |
WX01070710 |
|
J10 |
JUMPER WIRE 7x5x7mm |
WX01070705 |
|
J11 |
JUMPER WIRE 7x5x7mm |
WX01070705 |
Disclaimer: Although the greatest care has been taken while compiling these documents,
we cannot guarantee that the instructions will work on every radio presented.