Galaxy DX Radios FC-347
Documentation Project

CBTricks.com

TIPS:
You need to have Acrobat Reader version 5 or newer installed to view the files with icon.

If the files with or icon will not display see the Site FAQ for help on printing, viewing and using this information.


Owner's Manual

FC347 Hookup Diagrams For Galaxy DX Radios (Old Version and New)
     Diagram for a DX949, DX959, DX2547
     Diagram for a DX2517

     Diagram for a DX2527
     Diagram for a DX11B and Super Star 3900
     Diagram for a DX45MP
     Diagram for a DX48T

FC347 Hookup Diagrams For Cobra, Uniden, and RCI296GK / DX (See NOTE:)
     Diagram for a RCI 296GK / DX and Cobra 148GTL

NOTE: For Cobra, Uniden, and RCI296GK / DX
Open Case and see what version PCB you have.

FC347 with the EPT210014C in Cobra/Uniden models you need to jump on both JP1 (Top Side). See PCB layout Top View Here.


FC347 with the EPT210014D in Cobra/Uniden models you need to jump on both JP1 and JP2 (Bottom Side). See PCB layout Bottom View Here.

DIAGRAMS
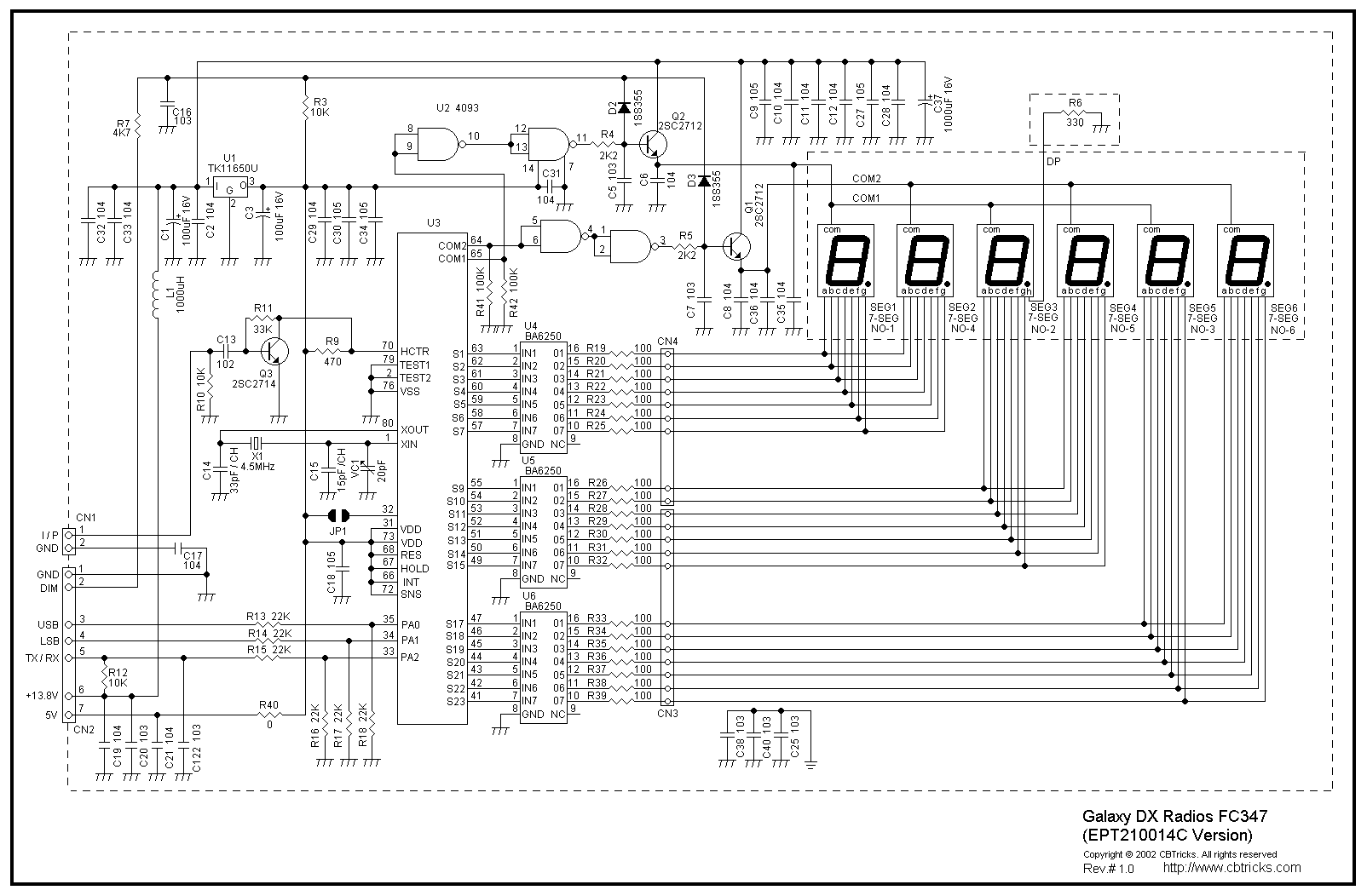
EPT210014C Version
    FC347 Schematic Diagram (EPT210014C)

    Inter-connection Diagram (EPT210014C)

EPT210014D Version
    FC347 Schematic Diagram (EPT210014D)
    Inter-connection Diagram (EPT210014D)
   

PCB Layouts and Parts (EPT210014C Version)
    Counter PCB Layout (EPT210014C)
    Counter PCB Trace Layout (EPT210014C)
    Display PCB (EPT210021D)
    Display PCB Trace Layout (EPT210021D)

PCB Layouts and Parts (EPT210014D Version)
    Counter PCB Layout (EPT210014D) (Started with later 2005 Production)
    Counter PCB Trace Layout (EPT210014D) (Started with later 2005 Production)
    Display PCB (EPT210021D)
    Display PCB Trace Layout (EPT210021D)
    Chassis Parts



 

 



Copyright © 1998,1999,2000, 2001, 2002, 2003, 2004 CBTricks.com

Disclaimer: Although the greatest care has been taken while compiling these documents,

we cannot guarantee that the instructions will work on every radio presented.