Galaxy DX Radios DX949 (MOSFET Final)
Documentation Project

CBTricks.com

TIPS:
You need to have Acrobat Reader version 5 or newer installed to view the files with icon.

If the files with or icon will not display see the Site FAQ for help on printing, viewing and using this information.

SPECIFICATIONS
    Owner's Manual

Click to see full size

RADIO MODIFICATIONS
     DX949 (P5 P6) Switch Frequency Conversion
     Channel Chart (After Modification)
     Viagra Board Frequency Modification
     10kc Mod
     Clarifier Mod
     Increase Clarifier Range Update
     Roger Beep Tone Mod
     FC347 Wiring Diagram for a DX949

SEMICONDUCTOR INFORMATION
      Semiconductor Datasheets

DIAGRAMS
    Schematic Diagram (April 01, 2008)
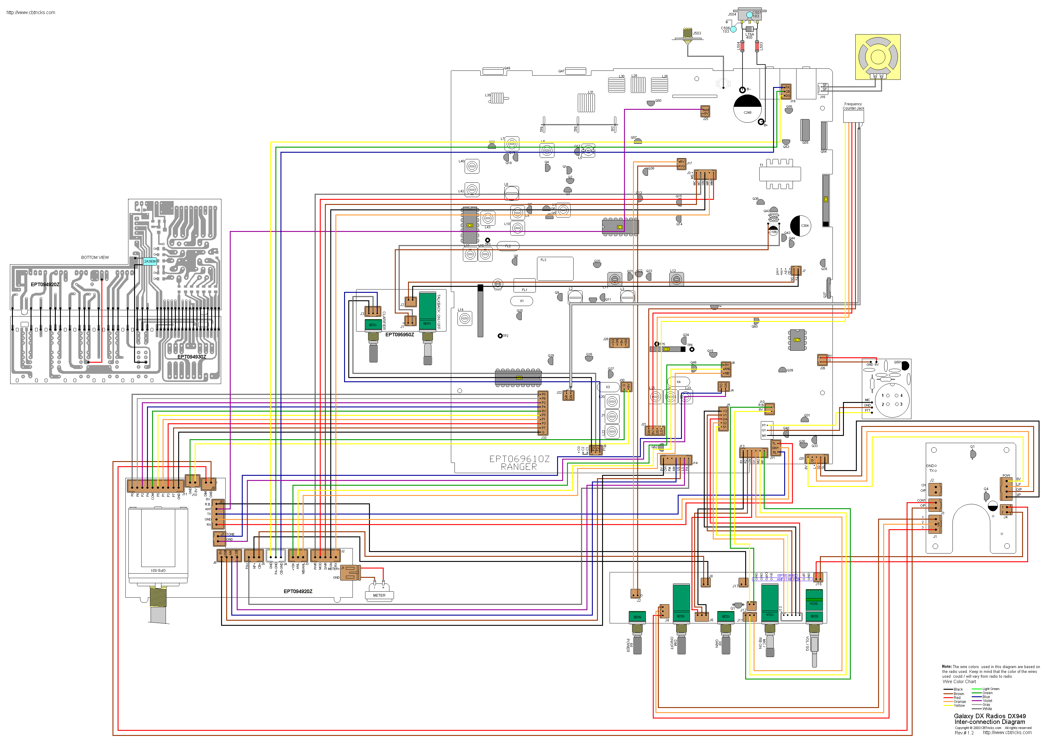
    DX949 Inter-connection Diagram

PCB Layouts and Parts
    
    Main PCB (EPT069610Z)
    Modular VCO PCB (EPF000210Z)
    Talkback / Clarifier Control VR PCB (EPT095950Z)
    SWR PCB (EPT360042Z)
    Channel Selector PCB (EPT094920Z)
    Mic Jack PCB (EPT690050Z)
    Dimmer PCB (EPT055V51Z)
    Front Panel Controls PCB (EPT095940Z (Early Production)
    Front Panel Controls PCB (EPT095941Z (Current Production)
    Display PCB (EPT094930Z)
    ANF/GNF PCB (EPT009830Z)

Chassis, Miscellaneous & Mechanical Parts
    Miscellaneous & Mechanical Parts

Stock
1- Shield  (Ground)
2- Yellow  (Audio)
3- Red      (Transmit)
4- White   (Receive)

Astatic (4 wire)
1- Shield
2- White
3- Red
4- Black

Astatic (6 wire)
1- Shield & Blue
2- White
3- Red
4- Black
Yellow NC

Daiwa EM-500
Cobra CA Series

1- Shield & Black
2- Red
3- White
4- Blue

Galaxy DC-521S (4 wire)
1- Shield
2- Yellow
3- Red
4- Black

Galaxy CB-660EI
1- Shield & Black
2- White
3- Red
4- Blue

Sadelta
1- Shield
2- White
3- Brown
4- Green

Turner
1- Shield & Red
2- White
3- Blue
4- Black
Yellow NC



Copyright © 1998, 1999, 2000, 2001, 2002, 2003 CBTricks.com

Disclaimer: Although the greatest care has been taken while compiling these documents,

we cannot guarantee that the instructions will work on every radio presented.