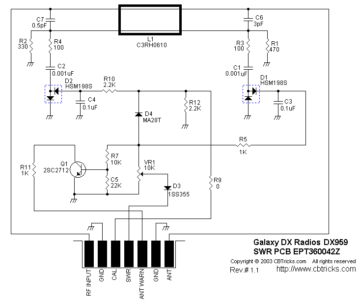
Galaxy DX Radios DX939
Documentation Project

CBTricks.com

SWR PCB (EPT360042Z)
Schematic

Ref#

Description

MFR. Part No.

 

SWR P.C.B. EPT360042Z

#T-120Q-1

 

SWR P.C.B. 33x25x1.6tmm (S)

EPT360042Z

Potentiometers

Ref#

Description

MFR. Part No.

VR1

S/F/R 10K OHM L

RE10300009

Resistors

Ref#

Description

MFR. Part No.

R1

CHIP/F/R (SMD) 470 OHM 0.1W

RCY014714Z

R2

CHIP/F/R (SMD) 330 OHM 0.1W

RCY013314Z

R3

CHIP/F/R (SMD) 100 OHM 0.1W

RCY011014Z

R4

CHIP/F/R (SMD) 100 OHM 0.1W

RCY011014Z

R5

CHIP/F/R (SMD) 1K OHM 0.1W

RCY011024Z

R7

CHIP/F/R (SMD) 10K OHM 0.1W

RCY011034Z

R9

CHIP/F/R (SMD) 0 OHM 0.1W

RCY010004Z

R10

CHIP/F/R (SMD) 2.2K OHM 0.1W

RCY012224Z

R11

CHIP/F/R (SMD) 1K OHM 0.1W

RCY011024Z

R12

CHIP/F/R (SMD) 2.2K OHM 0.1W

RCY012224Z

C5

CHIP/F/R (SMD) 15K OHM 0.1W 5%

RCY011534Z

Capacitors

Ref#

Description

MFR. Part No.

C1

CHIP/C 0.001UF 50WV Z SL X7R

CK1102AB7L

C2

CHIP/C 0.001UF 50WV Z SL X7R

CK1102AB7L

C3

CHIP/C 0.1UF 25WV Z Y5V

CK2104AB7R

C4

CHIP/C 0.1UF 25WV Z Y5V

CK2104AB7R

C6

CHIP/C 3PF 50WV C CH

CK1030AB1A

C7

CHIP/C 0.5PF 50WV C CH

CK1059AB1A

Transistors

Ref#

Description

MFR. Part No.

Q1

T/R (SMD) 2SC2712GR-TE85L

TY2SC2712G

Diodes

Ref#

Description

MFR. Part No.

D1

DIODE (SMD) HSM198S

EDHM0198SY

D2

DIODE (SMD) HSM198S

EDHM0198SY

D3

DIODE (SMD) 1SS355

EDSS00355Y

D4

DIODE (SMD) MA3X028TBL

EDMA0028TY

Inductors

Ref#

Description

MFR. Part No.

L1

(CME) BRAND CORE BF 2159576

ECRFZ10204

Wire Jumper

Ref#

Description

MFR. Part No.

JP1

JUMPER WIRE 7x15MMx7

WX01070715


Copyright © 2007 CBTricks.com

Disclaimer: Although the greatest care has been taken while compiling these documents,

we cannot guarantee that the instructions will work on every radio presented.