Galaxy DX Radios DX45MP
Documentation Project

CBTricks.com

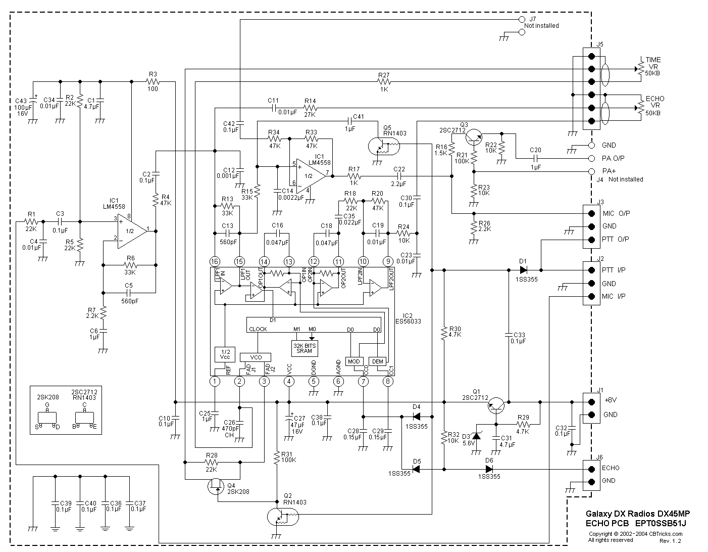
ECHO PCB (EPT0SSB51J)
Trace Layout
Schematic Diagram
Schematic Diagram

Ref#
Description
MFR. Part No.
 

EB-2000B Complete with Components

#T-141Q-P07

 

EB-2000B P.C.B. 62x46x1.6tmm(d)

EPT0SSB51J

Parts List

Resistors

Ref#
Description
MFR. Part No.

R1

CHIP/F/R (SMD) 22K OHM 0.1W

RCY012234Z

R2

CHIP/F/R (SMD) 22K OHM 0.1W

RCY012234Z

R3

CHIP/F/R (SMD) 100 OHM 0.1W

RCY011014Z

R4

CHIP/F/R (SMD) 47K OHM 0.1W

RCY014734Z

R5

CHIP/F/R (SMD) 22K OHM 0.1W

RCY012234Z

R6

CHIP/F/R (SMD) 33K OHM 0.1W

RCY013334Z

R7

CHIP/F/R (SMD) 2.2K OHM 0.1W

RCY012224Z

R13

CHIP/F/R (SMD) 33K OHM 0.1W

RCY013334Z

R14

CHIP/F/R (SMD) 27K OHM 0.1W 5%

RCY012734Z

R15

CHIP/F/R (SMD) 33K OHM 0.1W

RCY013334Z

R16

CHIP/F/R (SMD) 1.5K OHM 0.1W

RCY011524Z

R17

CHIP/F/R (SMD) 1K OHM 0.1W

RCY011024Z

R18

CHIP/F/R (SMD) 27K OHM 0.1W 5%

RCY012734Z

R20

CHIP/F/R (SMD) 47K OHM 0.1W

RCY014734Z

R21

CHIP/F/R (SMD) 100K OHM 0.1W

RCY011044Z

R22

CHIP/F/R (SMD) 10K OHM 0.1W

RCY011034Z

R23

CHIP/F/R (SMD) 10K OHM 0.1W

RCY011034Z

R24

CHIP/F/R (SMD) 10K OHM 0.1W

RCY011034Z

R26

CHIP/F/R (SMD) 2.2K OHM 0.1W

RCY012224Z

R27

CHIP/F/R (SMD) 1K OHM 0.1W

RCY011024Z

R28

CHIP/F/R (SMD) 22K OHM 0.1W

RCY012234Z

R29

CHIP/F/R (SMD) 4.7K OHM 0.1W

RCY014724Z

R30

CHIP/F/R (SMD) 4.7K OHM 0.1W

RCY014724Z

R31

CHIP/F/R (SMD) 100K OHM 0.1W

RCY011044Z

R32

CHIP/F/R (SMD) 10K OHM 0.1W

RCY011034Z

R33

CHIP/F/R (SMD) 47K OHM 0.1W

RCY014734Z

R34

CHIP/F/R (SMD) 47K OHM 0.1W

RCY014734Z

Capacitors

Ref#
Description
MFR. Part No.

C1

CHIP/C (SMD) 4.7UF 16WV  Z  Y5V

CK5475AA7R

C2

CHIP/C (SMD) 0.1UF 25WV Z Y5V

CK2104AB7R

C3

CHIP/C (SMD) 0.1UF 25WV Z Y5V

CK2104AB7R

C4

CHIP/C (SMD) 0.01UF 25WV Z Y5V

CK2103AB7R

C5

CHIP/C (SMD) 560PF 50WV K CH

CK1561AB5A

C6

CHIP/C (SMD) 1UF 16WV Z Y5V

CK5105AB7R

C10

CHIP/C (SMD) 0.1UF 25WV Z Y5V

CK2104AB7R

C11

CHIP/C (SMD) 0.01UF 25WV Z Y5V

CK2103AB7R

C12

CHIP/C (SMD) 0.001UF 50WV Z SL

CK1102AB7L

C13

CHIP/C (SMD) 560PF 50WV K CH

CK1561AB5A

C14

CHIP/C (SMD) 0.0022UF 50WV Y5V

CK1222AB7R

C16

CHIP/C (SMD) 0.047UF 50WV Z Y5V

CK1473AB7R

C18

CHIP/C (SMD) 0.047UF 50WV Z Y5V

CK1473AB7R

C19

CHIP/C (SMD) 0.01UF 25WV Z Y5V

CK2103AB7R

C20

CHIP/C (SMD) 1UF 16WV Z Y5V

CK5105AB7R

C22

CHIP/C (SMD) 2.2UF 16WV Z Y5V

CK5225AB7R

C23

CHIP/C (SMD) 0.01UF 25WV Z Y5V

CK2103AB7R

C25

CHIP/C (SMD) 1UF 16WV Z Y5V

CK5105AB7R

C26

CHIP/C (SMD) 470PF 50WV K CH

CK1471AB5A

C27

E/C 47UF 16WV Z

CE0164767Z

C28

CHIP/C (SMD) 0.15UF 50WV Z Y5V

CK1154AB7R

C29

CHIP/C (SMD) 0.15UF 50WV Z Y5V

CK1154AB7R

C30

CHIP/C (SMD) 0.1UF 25WV Z Y5V

CK2104AB7R

C31

CHIP/C (SMD) 4.7UF 16WV  Z  Y5V

CK5475AA7R

C32

CHIP/C (SMD) 0.1UF 25WV Z Y5V

CK2104AB7R

C33

CHIP/C (SMD) 0.1UF 25WV Z Y5V

CK2104AB7R

C34

CHIP/C (SMD) 0.01UF 25WV Z Y5V

CK2103AB7R

C35

CHIP/C (SMD) 0.022UF 50WV M Z5U

CK1223AB6U

C36

CHIP/C (SMD) 0.1UF 25WV Z Y5V

CK2104AB7R

C37

CHIP/C (SMD) 0.1UF 25WV Z Y5V

CK2104AB7R

C38

CHIP/C (SMD) 0.1UF 25WV Z Y5V

CK2104AB7R

C39

CHIP/C (SMD) 0.1UF 25WV Z Y5V

CK2104AB7R

C40

CHIP/C (SMD) 0.1UF 25WV Z Y5V

CK2104AB7R

C41

CHIP/C (SMD) 1UF 16WV Z Y5V

CK5105AB7R

C42

CHIP/C (SMD) 0.1UF 25WV Z Y5V

CK2104AB7R

C43

E/C 100UF 16WV Z

CE0161077Z

Integrated Circuits

Ref#
Description
MFR. Part No.

IC1

I.C. (SMD) NJM4558M 8PIN

YNJR04558M

IC2

I.C (SMD) ES56033S 16PIN

YNES56033S

Transistors

Ref#
Description
MFR. Part No.

Q1

T/R (SMD) 2SC2712GR-TE85L

TY2SC2712G

Q2

T/R (SMD) RN1403-TE85LPCS

TYZRN1403Z

Q3

T/R (SMD) 2SC2712GR-TE85L

TY2SC2712G

Q4

F.E.T. (SMD) 2SK208

FY2SK0208Z

Q5

T/R (SMD) RN1403-TE85LPCS

TYZRN1403Z

Diodes

Ref#
Description
MFR. Part No.

D1

DIODE (SMD) 1SS355

EDSS00355Y

D3

ZENER DIODE (SMD) 5.6V

EDZD05569Y

D4

DIODE (SMD) 1SS355

EDSS00355Y

D5

DIODE (SMD) 1SS355

EDSS00355Y

D6

DIODE (SMD) 1SS355

EDSS00355Y

Connectors

Ref#
Description
MFR. Part No.

J1

PCB CONNECTOR/S 2P PH=2MM

EX07N48223

J1-MAIN(J7)

WIRE CONNECTOR/H 2P-2P L=100mm PH=2

EX07N48918

J2

PCB CONNECTOR/S 3P T PH=2.5(WHITE)

EX07N41227

J2-40Z(J401)

WIRE CONNECTOR/H 3P-3P L=240 PH=2.5

EX07N49308

J3

PCB CONNECTOR/S 3P T PH=2.5

EX07N41216

J3-MAIN(J12)

WIRE CONNECTOR/H 3P-3P L=240 PH=2.5

EX07N49308

J5

PCB CONNECTOR/S 6P PH=2

EX07N48331

J5-40Z(J409/J416)

WIRE CONNECTOR/H 6P-3P-2P L=260PH=2

EX07N49303

J6

PCB CONNECTOR/S 2P PH=2MM

EX07N48223

J6-40Z(J415)

WIRE CONNECTOR/H 2P-2P L=250mm PH=2

EX07N48917

Hardware

Ref#
Description
MFR. Part No.
 

ECHO PCB COVER

MT2100061X

 

ECHO PCB BOX

MT2100070X

 

BRACKET OF ECHO PCB BOX

MT2100081X

 

SET SCREW M3x0.5Px6

JS053006MN

 

FIBER BOARD

XZZZ90376Z

 

SET SCREW M3x0.5x4

JS013004MY


Copyright © 2003 CBTricks.com

Disclaimer: Although the greatest care has been taken while compiling these documents,

we cannot guarantee that the instructions will work on every radio presented.