Galaxy
DX Radios DX2527
Documentation Project
CBTricks.com
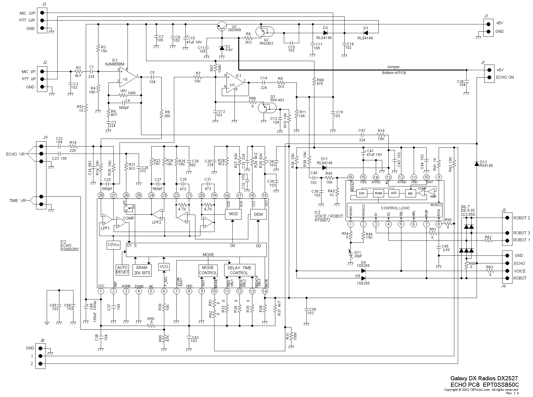
ROBOT / ECHO P.C.B. EPT0SSB50C
Trace
Layout
Schematic Diagram ![]()
Schematic Diagram ![]()


| Ref# | Description |
MFR.
Part No.
|
|
ROBOT / ECHO PCB EPT0SSB50C |
#T-106O-P06 |
|
|
ROBOT / ECHO PCB |
EPT0SSB50C |
Resistors
|
Ref#
|
Description |
MFR.
Part No.
|
|
R2 |
CHIP/F/R (SMD) 4.7K OHM 0.1W |
RCY014724Z |
|
R3 |
CHIP/F/R (SMD) 15K OHM 0.1W 5% |
RCY011534Z |
|
R4 |
CHIP/F/R (SMD) 18K OHM 0.1W |
RCY011834Z |
|
R5 |
CHIP/F/R (SMD) 4.7K OHM 0.1W |
RCY014724Z |
|
R6 |
CHIP/F/R (SMD) 39K OHM 0.1W |
RCY013934Z |
|
R7 |
CHIP/F/R (SMD) 15K OHM 0.1W 5% |
RCY011534Z |
|
R8 |
CHIP/F/R (SMD) 1K OHM 0.1W |
RCY011024Z |
|
R9 |
CHIP/F/R (SMD) 2.2K OHM 0.1W |
RCY012224Z |
|
R10 |
CHIP/F/R (SMD) 10K OHM 0.1W |
RCY011034Z |
|
R11 |
CHIP/F/R (SMD) 10K OHM 0.1W |
RCY011034Z |
|
R16 |
CHIP/F/R (SMD) 10K OHM 0.1W |
RCY011034Z |
|
R18 |
CHIP/F/R (SMD) 22K OHM 0.1W |
RCY012234Z |
|
R19 |
CHIP/F/R (SMD) 10K OHM 0.1W |
RCY011034Z |
|
R20 |
CHIP/F/R (SMD) 15K OHM 0.1W 5% |
RCY011534Z |
|
R21 |
CHIP/F/R (SMD) 3.3K OHM 0.1W |
RCY013324Z |
|
R23 |
CHIP/F/R (SMD) 15K OHM 0.1W 5% |
RCY011534Z |
|
R24 |
CHIP/F/R (SMD) 10K OHM 0.1W |
RCY011034Z |
|
R25 |
CHIP/F/R (SMD) 15K OHM 0.1W 5% |
RCY011534Z |
|
R26 |
CHIP/F/R (SMD) 8.2K OHM 0.1W |
RCY018224Z |
|
R27 |
CHIP/F/R (SMD) 82K OHM 0.1W |
RCY018234Z |
|
R28 |
CHIP/F/R (SMD) 8.2K OHM 0.1W |
RCY018224Z |
|
R29 |
CHIP/F/R (SMD) 82K OHM 0.1W |
RCY018234Z |
|
R30 |
C/F/R P-TYPE 10K OHM 1/4W P |
RCP141034Z |
|
R31 |
CHIP/F/R (SMD) 100K OHM 0.1W |
RCY011044Z |
|
R33 |
CHIP/F/R (SMD) 0 OHM 0.1W |
RCY010004Z |
|
R34 |
CHIP/F/R (SMD) 0 OHM 0.1W |
RCY010004Z |
|
R35 |
CHIP/F/R (SMD) 0 OHM 0.1W |
RCY010004Z |
|
R37 |
CHIP/F/R (SMD) 4.7K OHM 0.1W |
RCY014724Z |
|
R38 |
CHIP/F/R (SMD) 10K OHM 0.1W |
RCY011034Z |
|
R39 |
CHIP/F/R (SMD) 10K OHM 0.1W |
RCY011034Z |
|
R40 |
CHIP/F/R (SMD) 10K OHM 0.1W |
RCY011034Z |
|
R41 |
CHIP/F/R (SMD) 1K OHM 0.1W |
RCY011024Z |
|
R42 |
CHIP/F/R (SMD) 10K OHM 0.1W |
RCY011034Z |
|
R43 |
CHIP/F/R (SMD) 1K OHM 0.1W |
RCY011024Z |
|
R44 |
CHIP/F/R (SMD) 15K OHM 0.1W 5% |
RCY011534Z |
|
R50 |
CHIP/F/R (SMD) 0 OHM 0.1W |
RCY010004Z |
|
R51 |
CHIP/F/R (SMD) 100K OHM 0.1W |
RCY011044Z |
|
R52 |
CHIP/F/R (SMD) 0 OHM 0.1W |
RCY010004Z |
|
R53 |
CHIP/F/R (SMD) 10 OHM 0.1W |
RCY011004Z |
|
R54 |
CHIP/F/R (SMD) 0 OHM 0.1W |
RCY010004Z |
|
R55 |
CHIP/F/R (SMD) 0 OHM 0.1W |
RCY010004Z |
|
R61 |
CHIP/F/R (SMD) 0 OHM 0.1W |
RCY010004Z |
|
R62 |
CHIP/F/R (SMD) 0 OHM 0.1W |
RCY010004Z |
|
R63 |
CHIP/F/R (SMD) 0 OHM 0.1W |
RCY010004Z |
|
R65 |
CHIP/F/R (SMD) 47K OHM 0.1W |
RCY014734Z |
|
R66 |
CHIP/F/R (SMD) 0 OHM 0.1W |
RCY010004Z |
|
R67 |
CHIP/F/R (SMD) 100K OHM 0.1W |
RCY011044Z |
|
R68 |
CHIP/F/R (SMD) 470 OHM 0.1W |
RCY014714Z |
|
R69 |
CHIP/F/R (SMD) 0 OHM 0.1W |
RCY010004Z |
|
VR1 |
CHIP/F/R (SMD) 100K OHM 0.1W |
RCY011044Z |
Capacitors
|
Ref#
|
Description |
MFR.
Part No.
|
|
C1 |
CHIP/C (SMD) 0.22UF 50WV Z Y5V |
CK1224AB7R |
|
C2 |
CHIP/C (SMD) 0.001UF 50WV Z SL |
CK1102AB7L |
|
C3 |
CHIP/C (SMD) 0.22UF 50WV Z Y5V |
CK1224AB7R |
|
C4 |
CHIP/C (SMD) 560P 50WV K CH |
CK1561AB5A |
|
C5 |
CHIP/C (SMD) 0.1UF 25WV Z Y5V |
CK2104AB7R |
|
C7 |
CHIP/C(SMD) 1UF 16WV Z Y5V |
CK5105AA7R |
|
C9 |
CHIP/C (SMD) 0.01UF 50WVM Z5U |
CK1103AB6U |
|
C10 |
E/C 47UF 16WV Z |
CE0164767Z |
|
C11 |
CHIP/C(SMD) 1UF 16WV Z Y5V |
CK5105AA7R |
|
C12 |
CHIP/C (SMD) 0.01UF 50WVM Z5U |
CK1103AB6U |
|
C13 |
CHIP/C (SMD) 0.1UF 25WV Z Y5V |
CK2104AB7R |
|
C14 |
CHIP/C (SMD) 0.22UF 50WV Z Y5V |
CK1224AB7R |
|
C15 |
CHIP/C (SMD) 0.01UF 50WVM Z5U |
CK1103AB6U |
|
C17 |
CHIP/C(SMD) 1UF 16WV Z Y5V |
CK5105AA7R |
|
C18 |
CHIP/C (SMD) 0.001UF 50WV Z SL |
CK1102AB7L |
|
C19 |
CHIP/C (SMD) 0.01UF 50WVM Z5U |
CK1103AB6U |
|
C22 |
CHIP/C (SMD) 0.1UF 25WV Z Y5V |
CK2104AB7R |
|
C23 |
CHIP/C(SMD) 1UF 16WV Z Y5V |
CK5105AA7R |
|
C24 |
CHIP/C (SMD) 0.0056UF50WV Z Y5V |
CK1562AB7R |
|
C25 |
CHIP/C (SMD) 560P 50WV K CH |
CK1561AB5A |
|
C26 |
CHIP/C (SMD) 0.033UF 50WV M Z5U |
CK1333AB6U |
|
C27 |
CHIP/C (SMD) 560P 50WV K CH |
CK1561AB5A |
|
C28 |
CHIP/C (SMD) 0.047UF 50WV Z Y5V |
CK1473AB7R |
|
C29 |
CHIP/C (SMD) 0.0056UF50WV Z Y5V |
CK1562AB7R |
|
C30 |
CHIP/C (SMD) 0.22UF 50WV Z Y5V |
CK1224AB7R |
|
C31 |
CHIP/C (SMD) 0.047UF 50WV Z Y5V |
CK1473AB7R |
|
C32 |
CHIP/C (SMD) 0.01UF 50WVM Z5U |
CK1103AB6U |
|
C33 |
CHIP/C (SMD) 0.22UF 50WV Z Y5V |
CK1224AB7R |
|
C34 |
CHIP/C (SMD) 0.01UF 50WVM Z5U |
CK1103AB6U |
|
C35 |
CHIP/C (SMD) 0.01UF 50WVM Z5U |
CK1103AB6U |
|
C36 |
CHIP/C (SMD) 0.1UF 25WV Z Y5V |
CK2104AB7R |
|
C37 |
CHIP/C(SMD) 1UF 16WV Z Y5V |
CK5105AA7R |
|
C38 |
CHIP/C (SMD) 0.1UF 25WV Z Y5V |
CK2104AB7R |
|
C39 |
CHIP/C (SMD) 0.01UF 50WVM Z5U |
CK1103AB6U |
|
C40 |
CHIP/C (SMD) 0.01UF 50WVM Z5U |
CK1103AB6U |
|
C41 |
E/C 47UF 16WV Z |
CE0164767Z |
|
C42 |
CHIP/C (SMD) 0.22UF 50WV Z Y5V |
CK1224AB7R |
|
C43 |
CHIP/C (SMD) 0.01UF 50WVM Z5U |
CK1103AB6U |
|
C44 |
CHIP/C (SMD) 0.01UF 50WVM Z5U |
CK1103AB6U |
|
C45 |
CHIP/C (SMD) 5PF 50WV C CH |
CK1050AB1A |
|
C50 |
CHIP/C (SMD) 0.01UF 50WVM Z5U |
CK1103AB6U |
|
C63 |
CHIP/C (SMD) 0.01UF 50WVM Z5U |
CK1103AB6U |
|
C64 |
CHIP/C (SMD) 0.01UF 50WVM Z5U |
CK1103AB6U |
|
C65 |
CHIP/C (SMD) 0.01UF 50WVM Z5U |
CK1103AB6U |
|
C68 |
E/C 470UF 10WV Z |
CE0104777Z |
|
VC1 |
TRIMMER/C 20PF(CV38D2001) |
CV038200AZ |
Integrated Circuits
|
Ref#
|
Description |
MFR.
Part No.
|
|
IC1 |
I.C. (SMD) NJM4558M 8PIN |
YNJR04558M |
|
IC2 |
I.C. (SMD) ES56028S 28PIN |
YNES56028S |
|
IC3 |
I.C. RTS0072 16PIN |
ENRE00072Z |
Transistors
|
Ref#
|
Description |
MFR.
Part No.
|
|
Q1 |
T/R (SMD) 2SD999-TP |
TY2SD0999Z |
|
Q2 |
T/R (SMD) RN2403-TE85L |
TYZRN2403Z |
|
Q3 |
T/R (SMD) RN1403-TE85L |
TYZRN1403Z |
Diodes
|
Ref#
|
Description |
MFR.
Part No.
|
|
D1 |
ZENER DIODE 5.6V (SMD) |
EDZD05569Y |
|
D2 |
DIODE (SMD) 1N4148 |
ED1N04148Y |
|
D3 |
DIODE (SMD) 1N4148 |
ED1N04148Y |
|
D4 |
DIODE(SMD) 1SS355 |
EDSS00355Y |
|
D5 |
DIODE(SMD) 1SS355 |
EDSS00355Y |
|
D6 |
DIODE(SMD) 1SS355 |
EDSS00355Y |
|
D7 |
DIODE(SMD) 1SS355 |
EDSS00355Y |
|
D8 |
DIODE(SMD) 1SS355 |
EDSS00355Y |
|
D9 |
DIODE(SMD) 1SS355 |
EDSS00355Y |
|
D10 |
DIODE(SMD) 1SS355 |
EDSS00355Y |
|
D11 |
DIODE (SMD) 1N4148 |
ED1N04148Y |
Connectors
|
Ref#
|
Description |
MFR.
Part No.
|
|
J1 |
PCB CONNECTOR/S 2P PH=2.5 |
EX07N41226 |
|
J7 |
PCB CONNECTOR/S 2P PH=2.5 |
EX07N41226 |
|
J2 |
PCB CONNECTOR/S 3P T PH=2.5 |
EX07N41216 |
|
J3 |
PCB CONNECTOR/S 3P T PH=2.5 |
EX07N41216 |
|
J5 |
PCB CONNECTOR/S 3P T PH=2.5 |
EX07N41216 |
|
J8 |
PCB CONNECTOR/S 3P T PH=2.5 |
EX07N41216 |
|
J6 |
PCB CONNECTOR/S 4P T PH=2.5 |
EX07N41250 |
|
ECHO/TIME |
PCB CONNECTOR/S 5P T PH=2.5 |
EX07N40038 |
Jumper Wire
|
Ref#
|
Description |
MFR.
Part No.
|
|
J9 |
JUMPER WIRE 7x9x7mm |
WX01070709 |
|
JP1 |
JUMPER WIRE 7x20x7mm |
WX01070720 |
|
JP2 |
JUMPER WIRE 7x12x7mm |
WX01070712 |
|
JP3 |
JUMPER WIRE 7x22x7mm |
WX01070722 |
|
JP4 |
JUMPER WIRE 7x22x7mm |
WX01070722 |
|
JP6 |
JUMPER WIRE 7x10x7mm |
WX01070710 |
|
JP7 |
JUMPER WIRE 7x12x7mm |
WX01070712 |
|
JP8 |
JUMPER WIRE 7x12x7mm |
WX01070712 |
|
JP10 |
JUMPER WIRE 7x10x7mm |
WX01070710 |
Disclaimer: Although the greatest care has been taken while compiling these documents,
we cannot guarantee that the instructions will work on every radio presented.