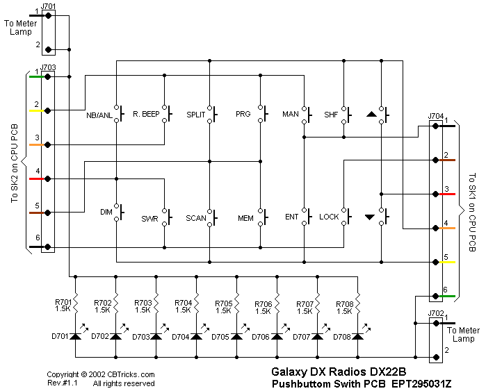
Galaxy DX Radios DX22B
Documentation Project

CBTricks.com

Pushbutton Switch PCB Layout (EPT210031Z) Schematic

 


Copyright © 2003 CBTricks.com

Disclaimer: Although the greatest care has been taken while compiling these documents,

we cannot guarantee that the instructions will work on every radio presented.