E. F. Johnson Messenger 320, 323
Documentation Project
CBTricks.com

TIPS:
You need to have Acrobat Reader version 5 or newer installed to view the files with icon.

If the files with or icon will not display see the Site FAQ for help on printing, viewing and using this information.



Vintage Advertising

Factory Service Manual
2nd Printing June, 1974
Covers
Messenger 320 Models A-B
Messenger 323 Models A-E
      Page 1 to 10
      Page 11 to 20
      Page 21 to 30
      Page 31 to 41
      Cover Page Front
      Cover Page Rear


DIAGRAMS
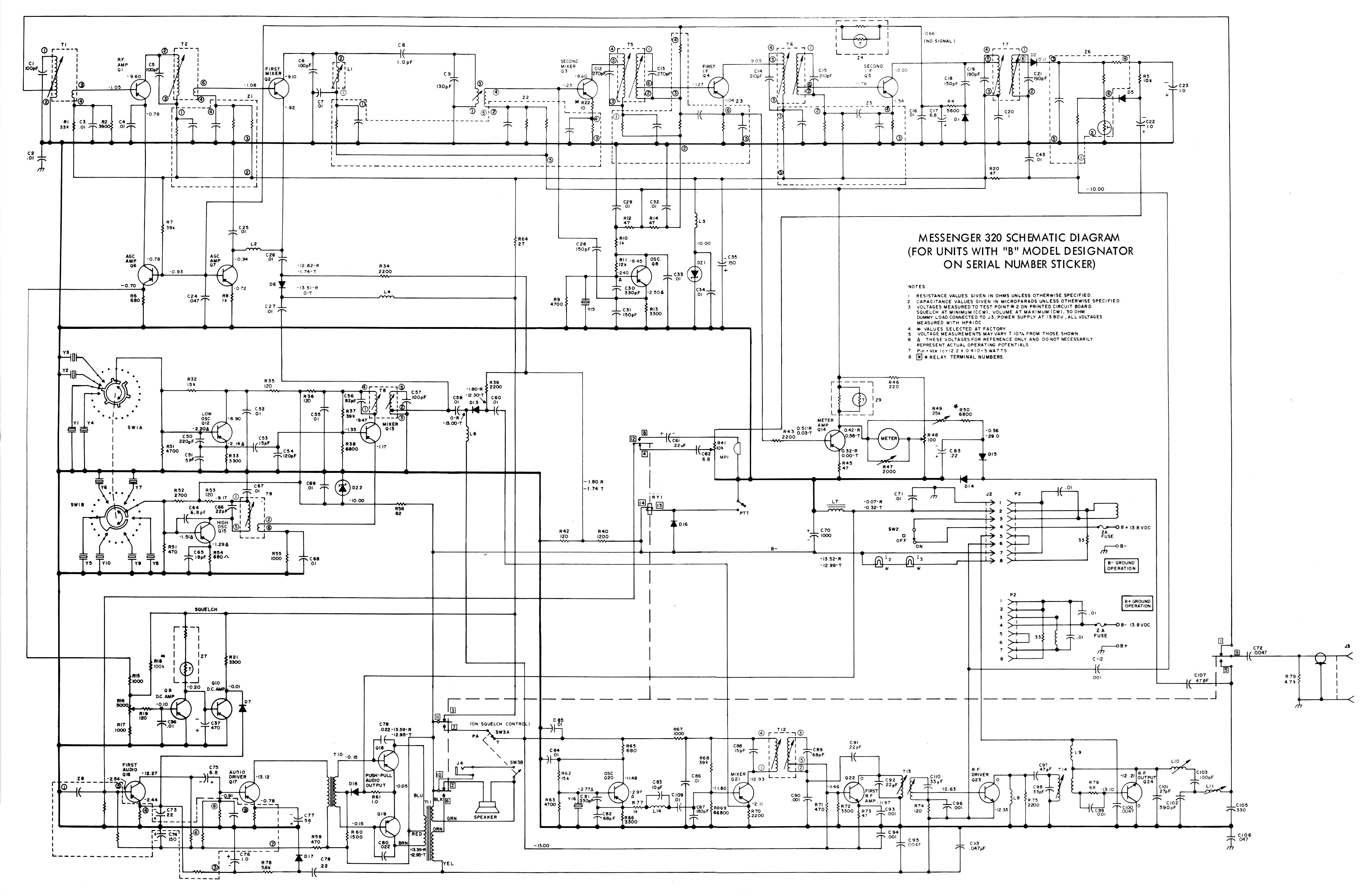
      320B Schematic Diagram (11x17)
      320B Schematic Diagram
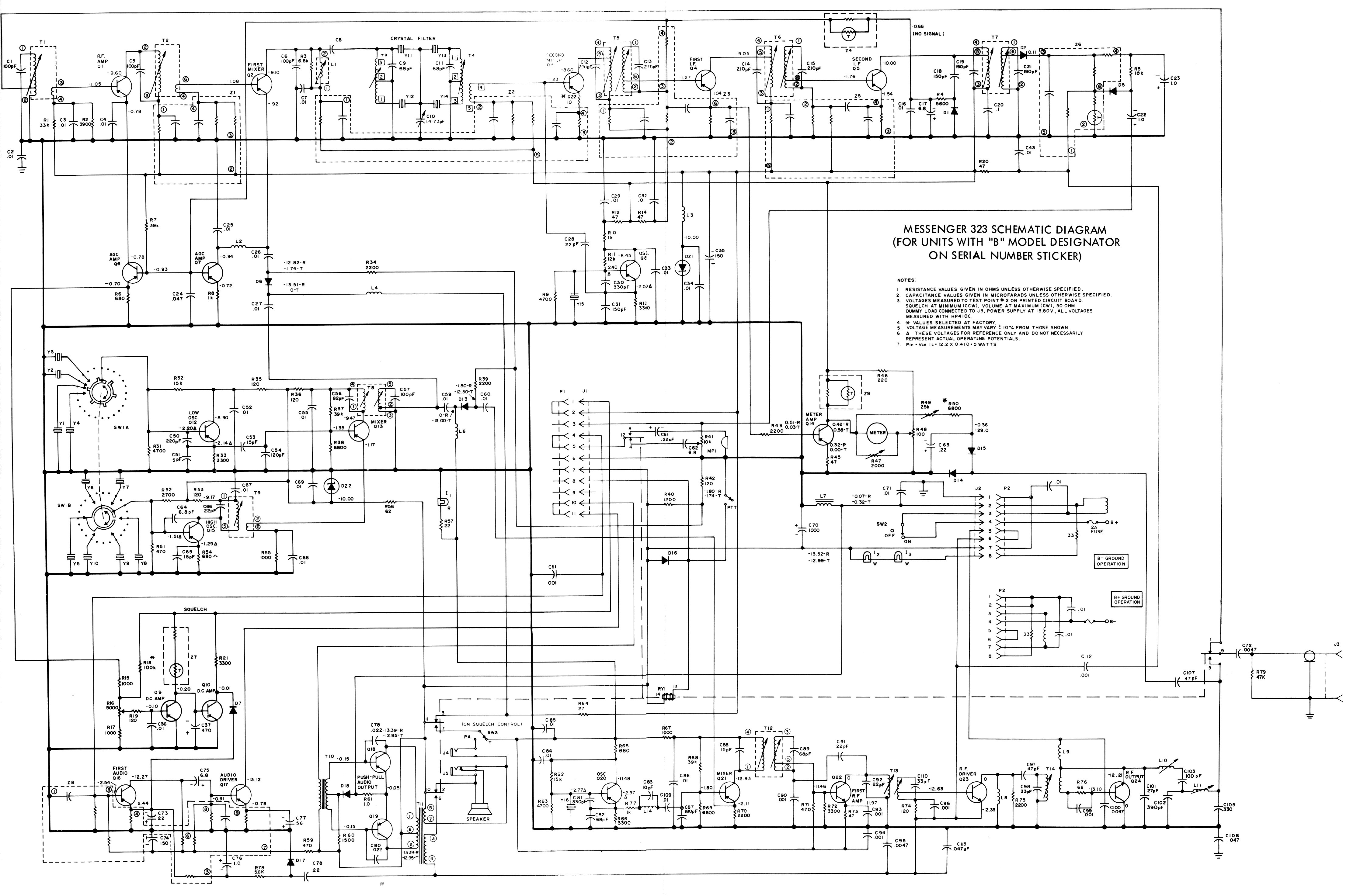
      323B Schematic Diagram (11x17)
      323B Schematic Diagram
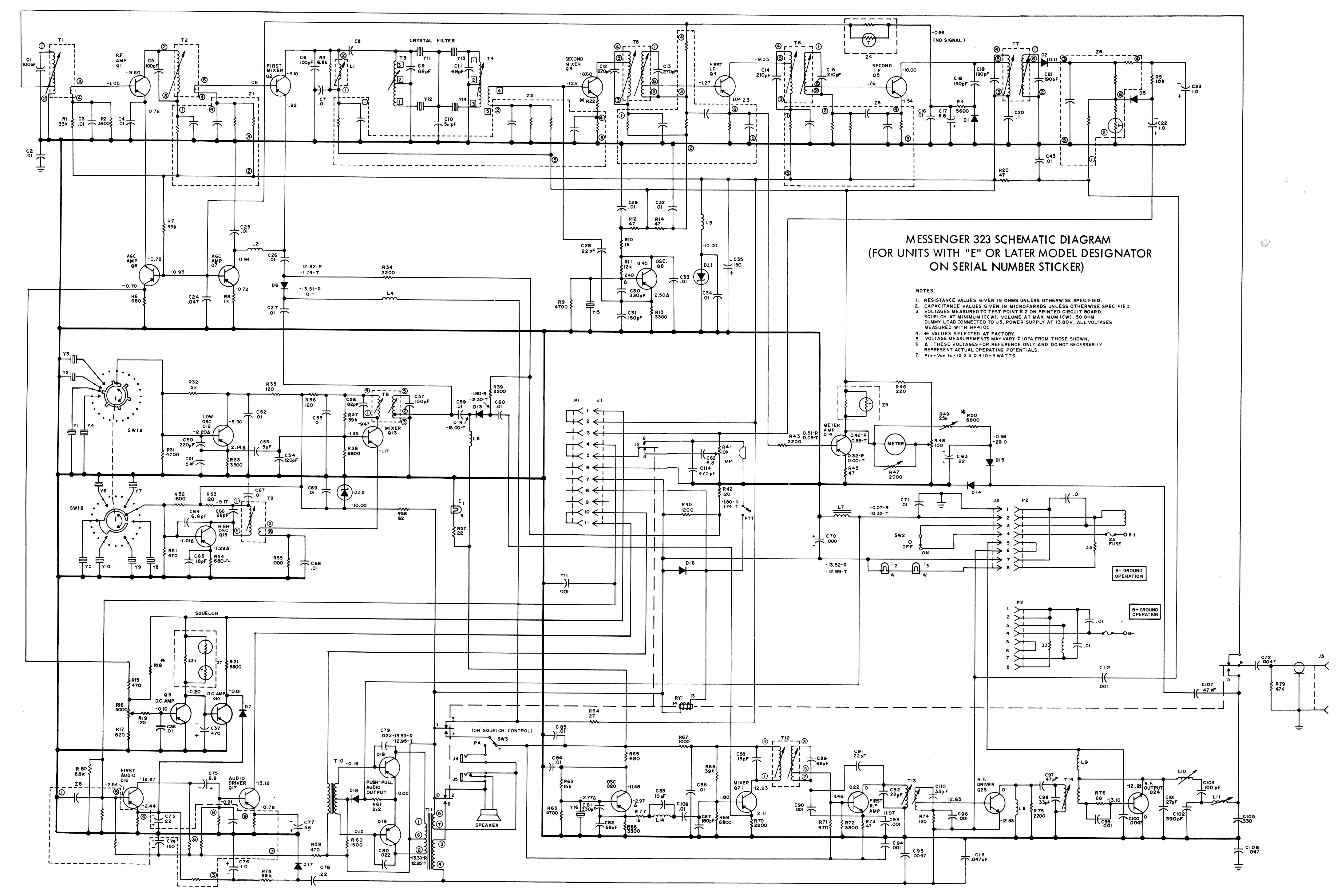
      323E Schematic Diagram (11x17)
      323E Schematic Diagram
      PCB Layout
      PCB Layout

Also See
     Factory Service Bulletins

 




Copyright © 1998-2009 CBTricks.com

Disclaimer: CBTricks.com does not warrant the accuracy of the information contained herein nor is it responsible
for any errors or omissions and assumes no liability for the content on this site.
While the CBTricks.com uses reasonable efforts to include accurate and up to date information, CBTricks.com makes no warranties or representations as to its accuracy
or timeliness and assumes no liability or responsibility for any errors or omissions in the Content of this site.

http://www.cbtricks.com