E. F. Johnson Messenger 125
Documentation Project

CBTricks.com

TIPS:
You need to have Acrobat Reader version 5 or newer installed to view the files with icon.

If the files with or icon will not display see the Site FAQ for help on printing, viewing and using this information.



Factory Service Manual
2nd Printing April, 1973
Covers Models A-F
      Page 1 to 10
      Page 11 to 20
      Page 21 to 24
      Page 25
      Page 25
      Page 26 to 29
      Cover Page Front
      Cover Page Rear


DIAGRAMS
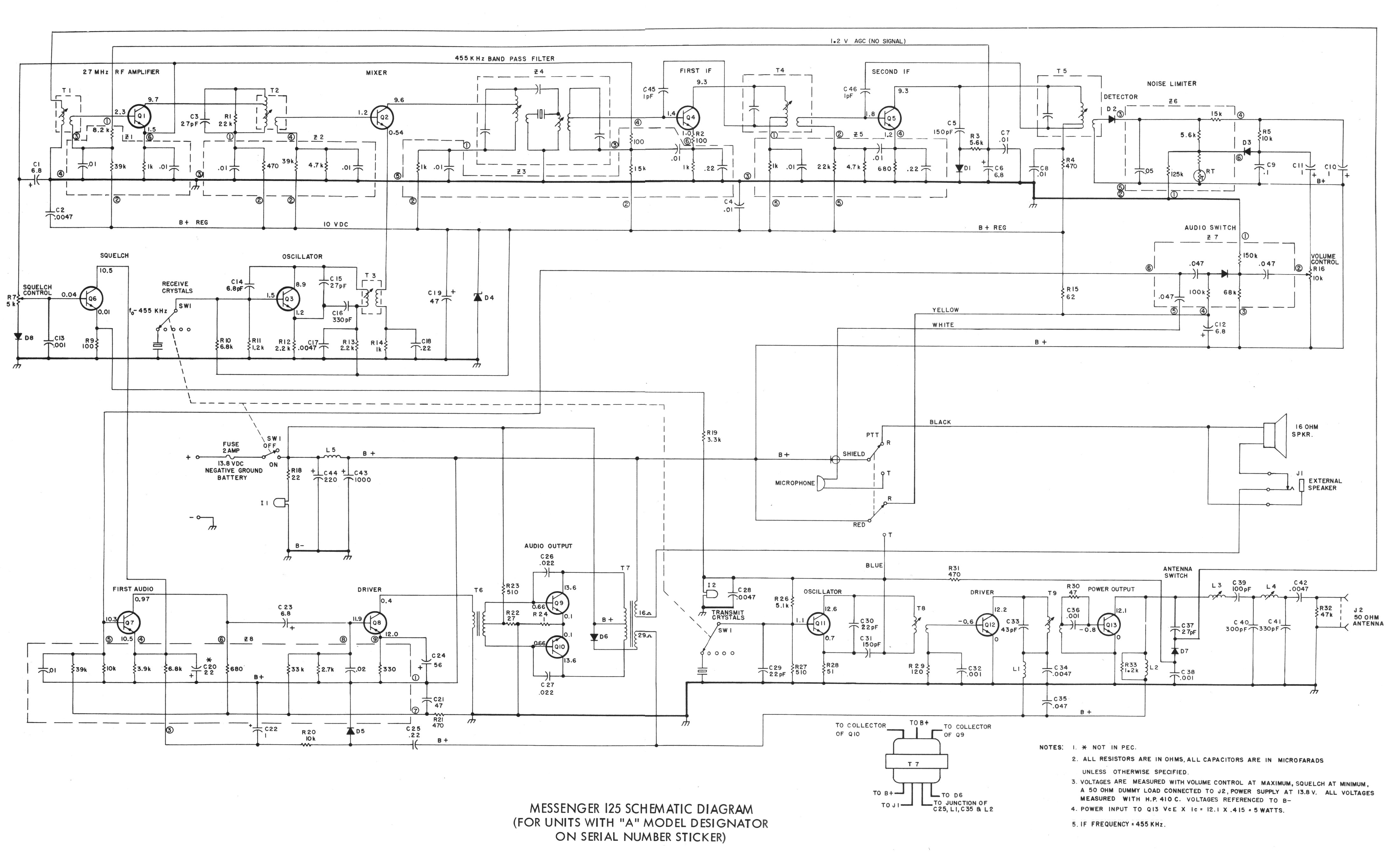
      125A Schematic Diagram (11x17)
      125A Schematic Diagram
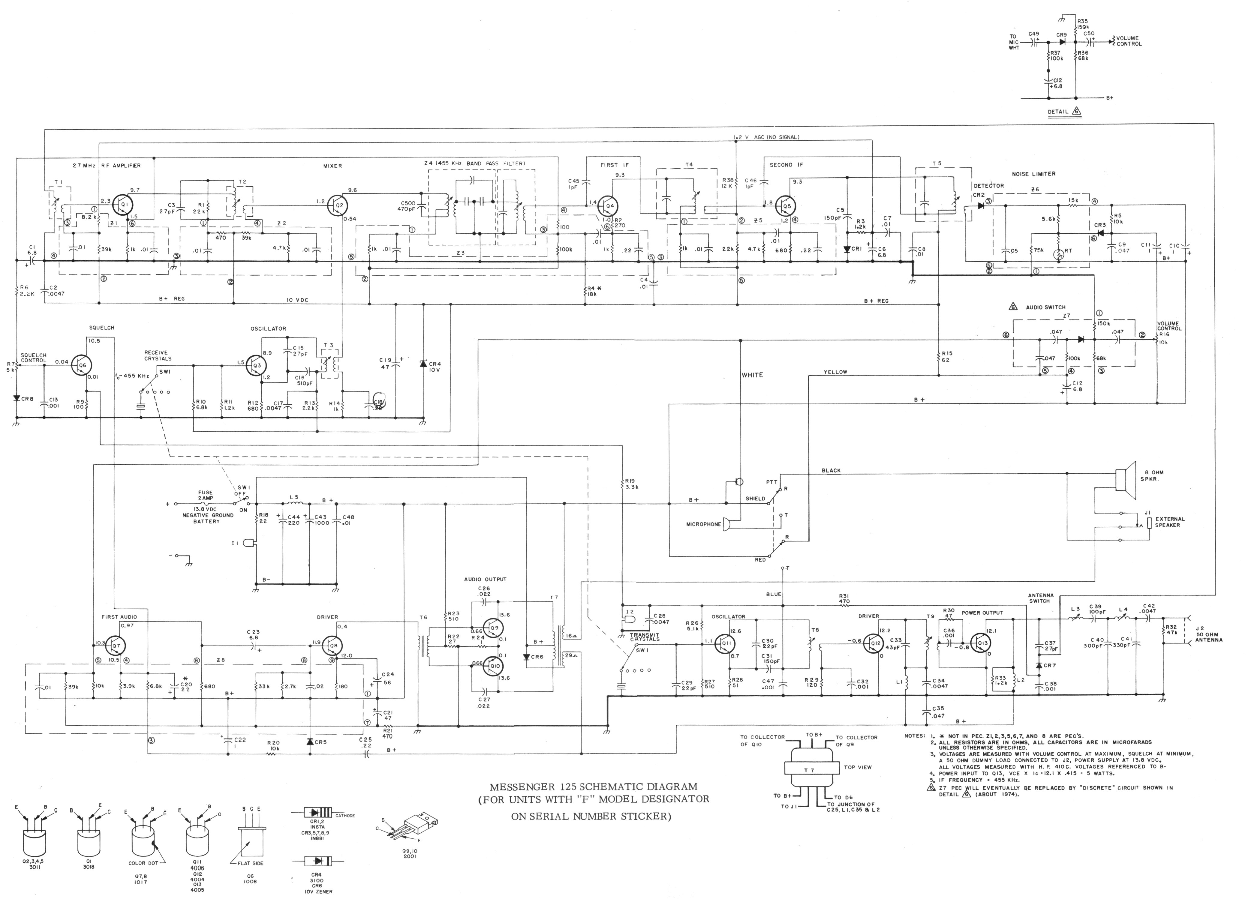
      125F Schematic Diagram (11x17)
      125F Schematic Diagram

Also See
     Factory Service Bulletins

 




Copyright © 1998-2009 CBTricks.com

Disclaimer: CBTricks.com does not warrant the accuracy of the information contained herein nor is it responsible
for any errors or omissions and assumes no liability for the content on this site.
While the CBTricks.com uses reasonable efforts to include accurate and up to date information, CBTricks.com makes no warranties or representations as to its accuracy
or timeliness and assumes no liability or responsibility for any errors or omissions in the Content of this site.

http://www.cbtricks.com