E.F. Johnson Messenger I (Whiteface)
Documentation Project

CBTricks.com

TIPS:
You need to have Acrobat Reader version 5 or newer installed to view the files with icon.

If the files with or icon will not display see the Site FAQ for help on printing, viewing and using this information.



Vintage Advertising

Factory Service Manual
      Page 1 to 15
      Page 16 to 25
      Front Cover
      Rear Cover

DIAGRAMS
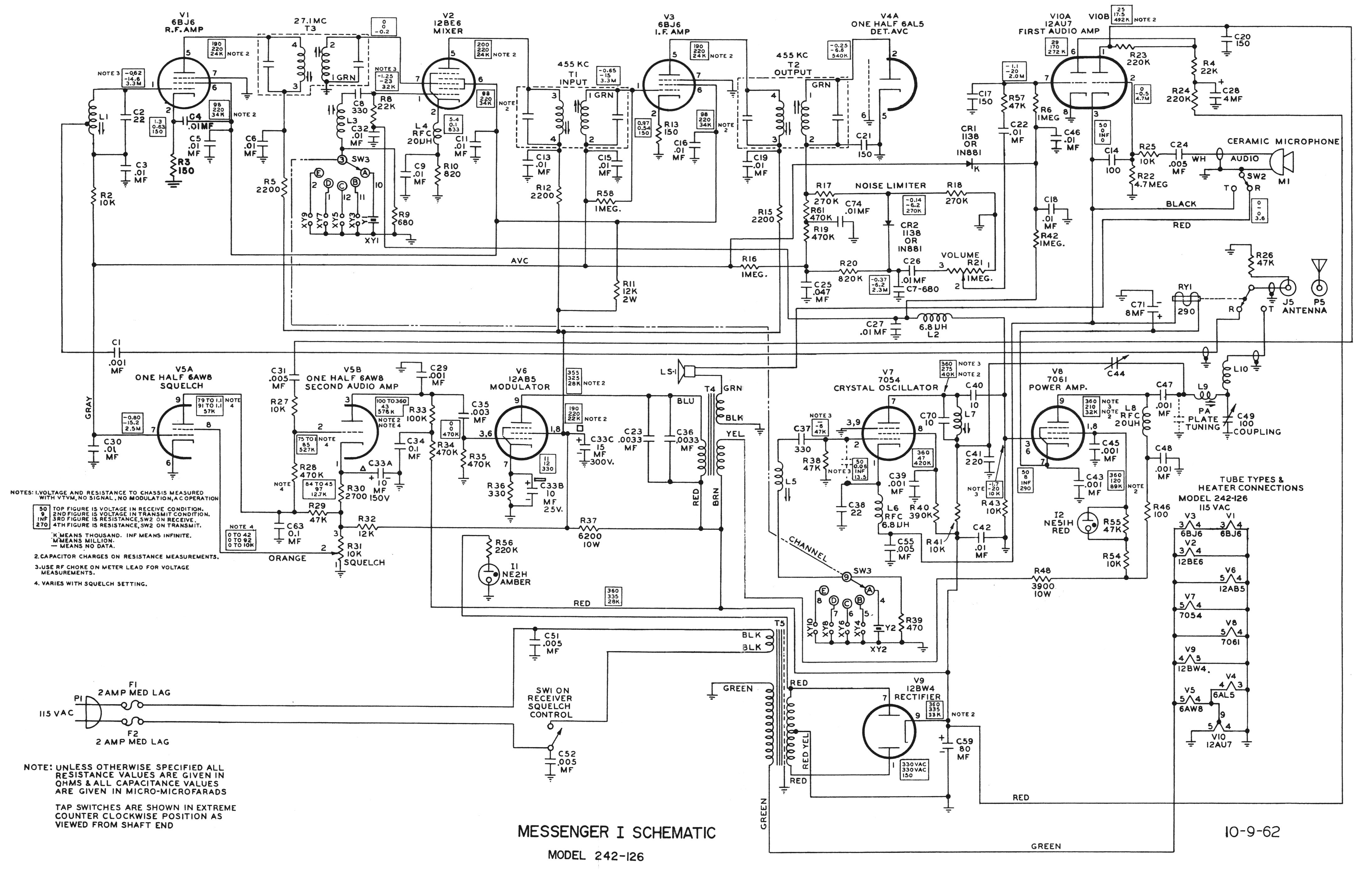
      242-126 Schematic Diagram (11x17)
      242-126 Schematic Diagram

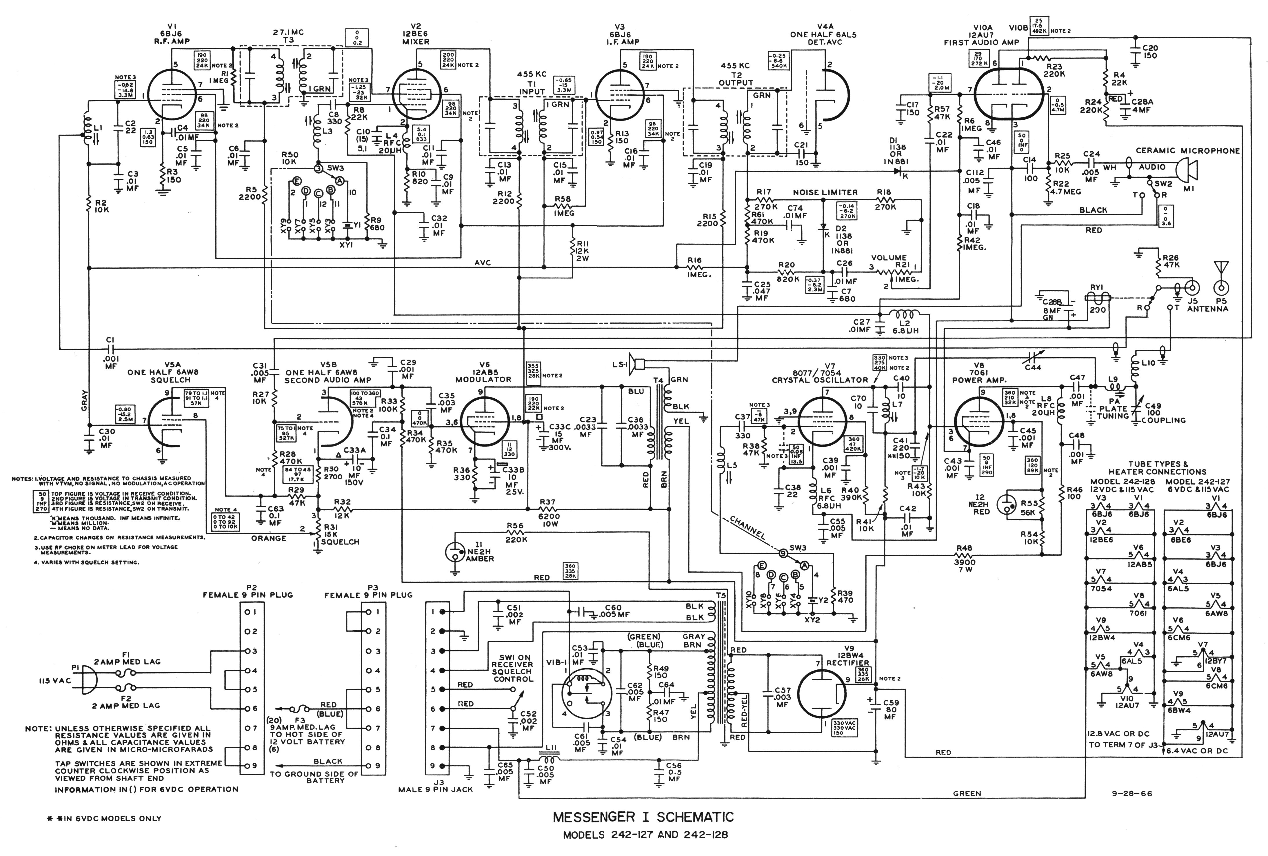
      242-127, 242-128 Schematic Diagram (11x17)
      242-127, 242-128 Schematic Diagram

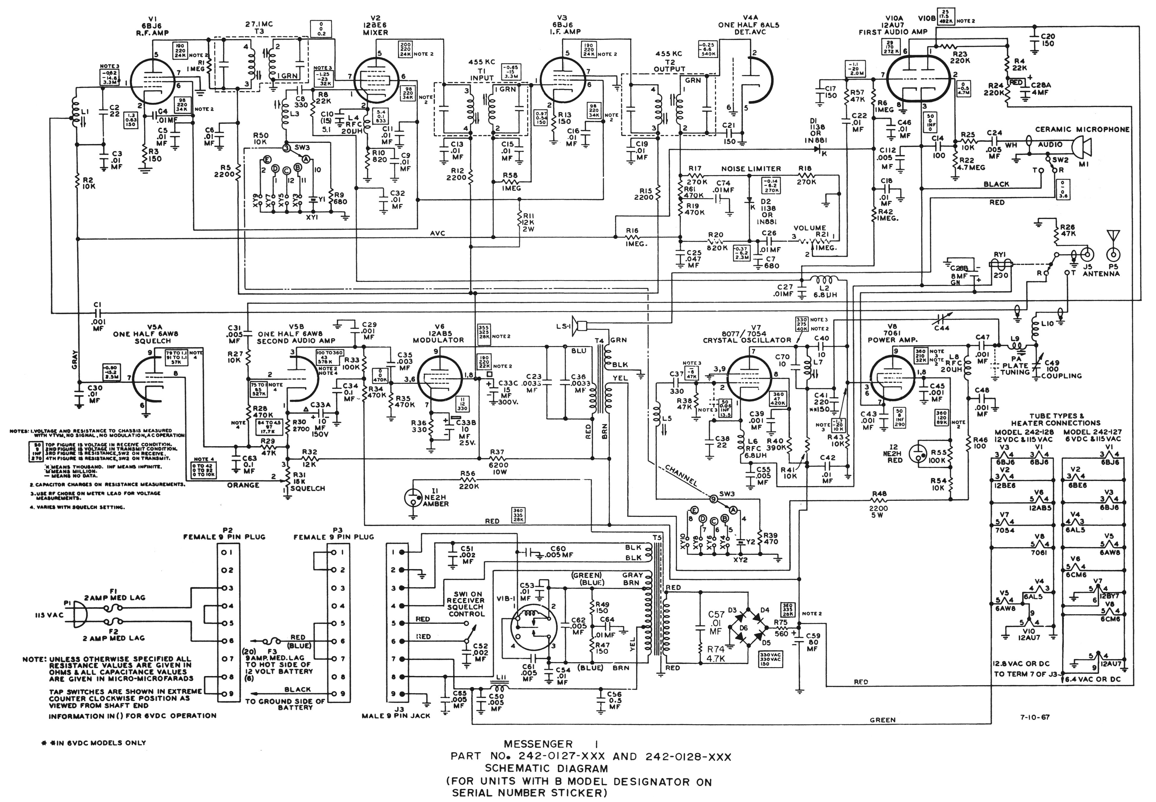
      127xxx_128xxx Schematic Diagram (11x17)
      127xxx_128xxx Schematic Diagram

 

Service Information From Sam's Photofact Vol. #1
     Sam's Photofact

Diagrams From Sam's Photofact Vol. #1
     Schematic (11 x17)
     Schematic

Also See
     Factory Service Bulletins

 




Copyright © 1998-2009 CBTricks.com

Disclaimer: CBTricks.com does not warrant the accuracy of the information contained herein nor is it responsible
for any errors or omissions and assumes no liability for the content on this site.
While the CBTricks.com uses reasonable efforts to include accurate and up to date information, CBTricks.com makes no warranties or representations as to its accuracy
or timeliness and assumes no liability or responsibility for any errors or omissions in the Content of this site.

http://www.cbtricks.com