Craig 4351, 4352
Documentation Project
CBTricks.com

TIPS:
You need to have Acrobat Reader version 5 or newer installed to view the files with icon.

If the files with or icon will not display see the Site FAQ for help on printing, viewing and using this information.



Service manual

     4351 Service Bulletin# 102775

Diagrams
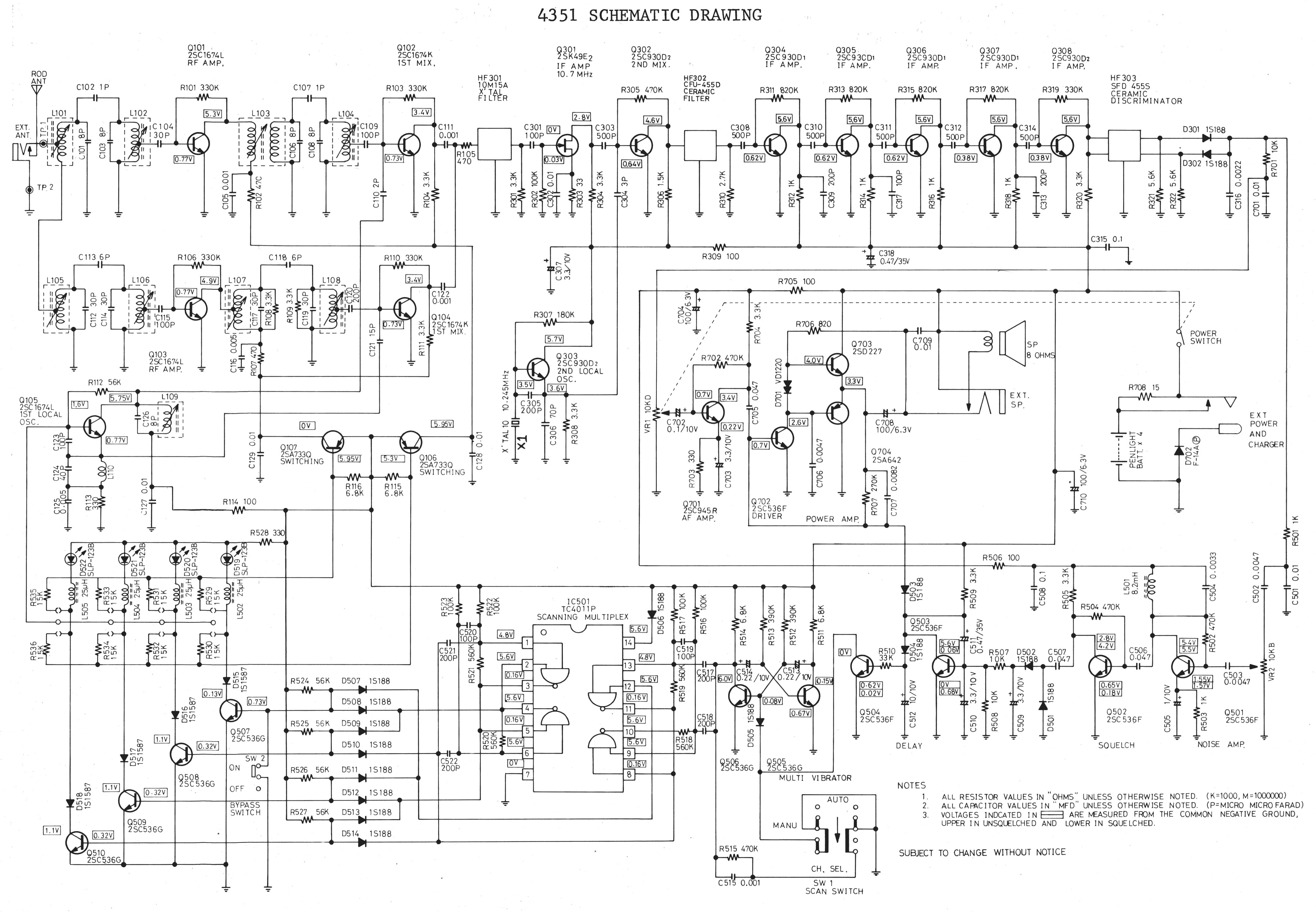
     4351 Schematic Diagram
     4351 Schematic Diagram

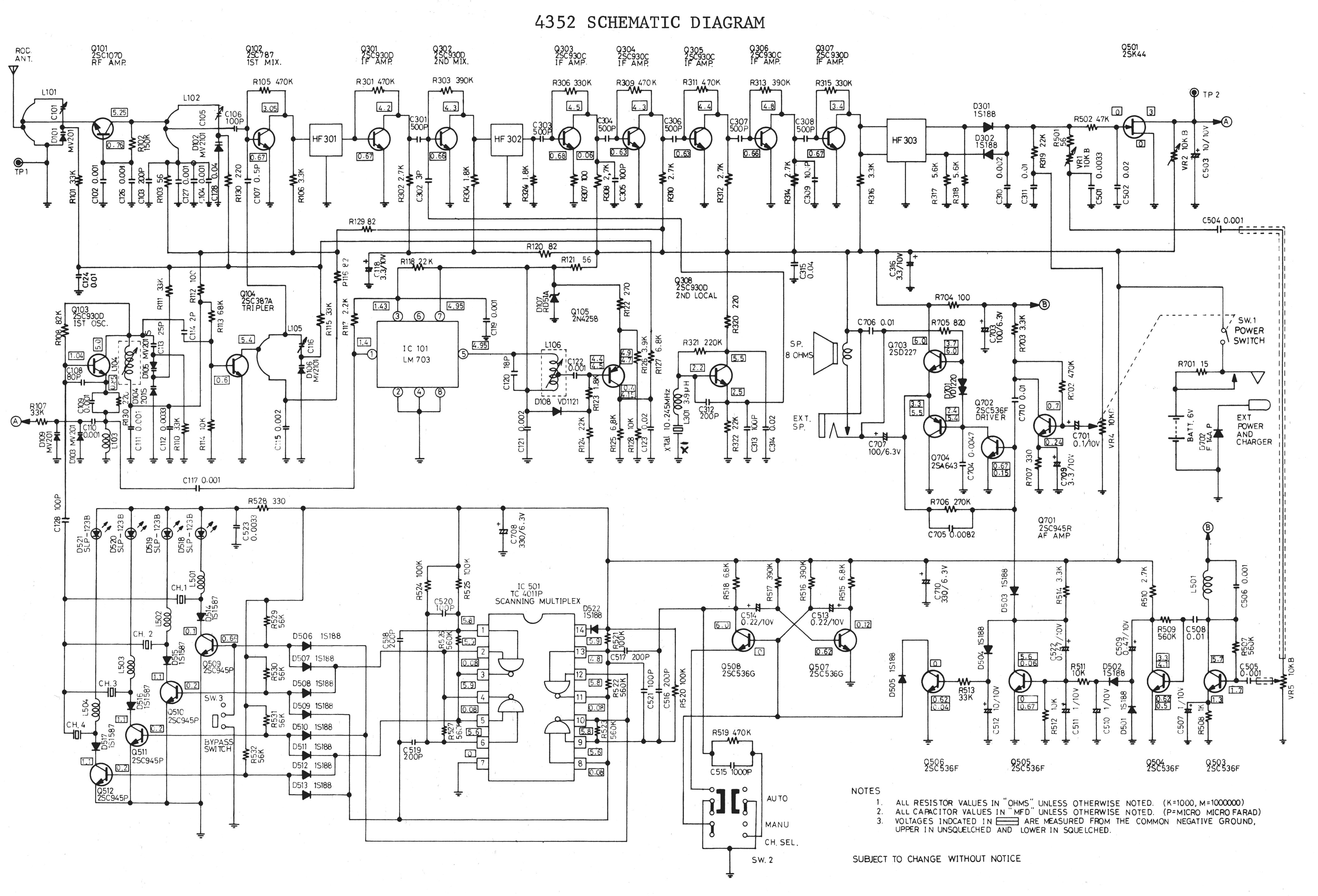
     4352 Schematic Diagram
     4352 Schematic Diagram

 

 



Copyright © 1998, 1999, 2000, 2001, 2002, 2003, 2004 CBTricks.com

Disclaimer: Although the greatest care has been taken while compiling these documents,

we cannot guarantee that the instructions will work on every radio presented.