Courier Classic III
Documentation Project
CBTricks.com

TIPS:
You need to have Acrobat Reader version 5 or newer installed to view the files with icon.

If the files with or icon will not display see the Site FAQ for help on printing, viewing and using this information.



Vintage Advertising

Factory Service Manual
      Page 1 to 16
      Page 17 to 26
      Page 27 to 33

DIAGRAMS
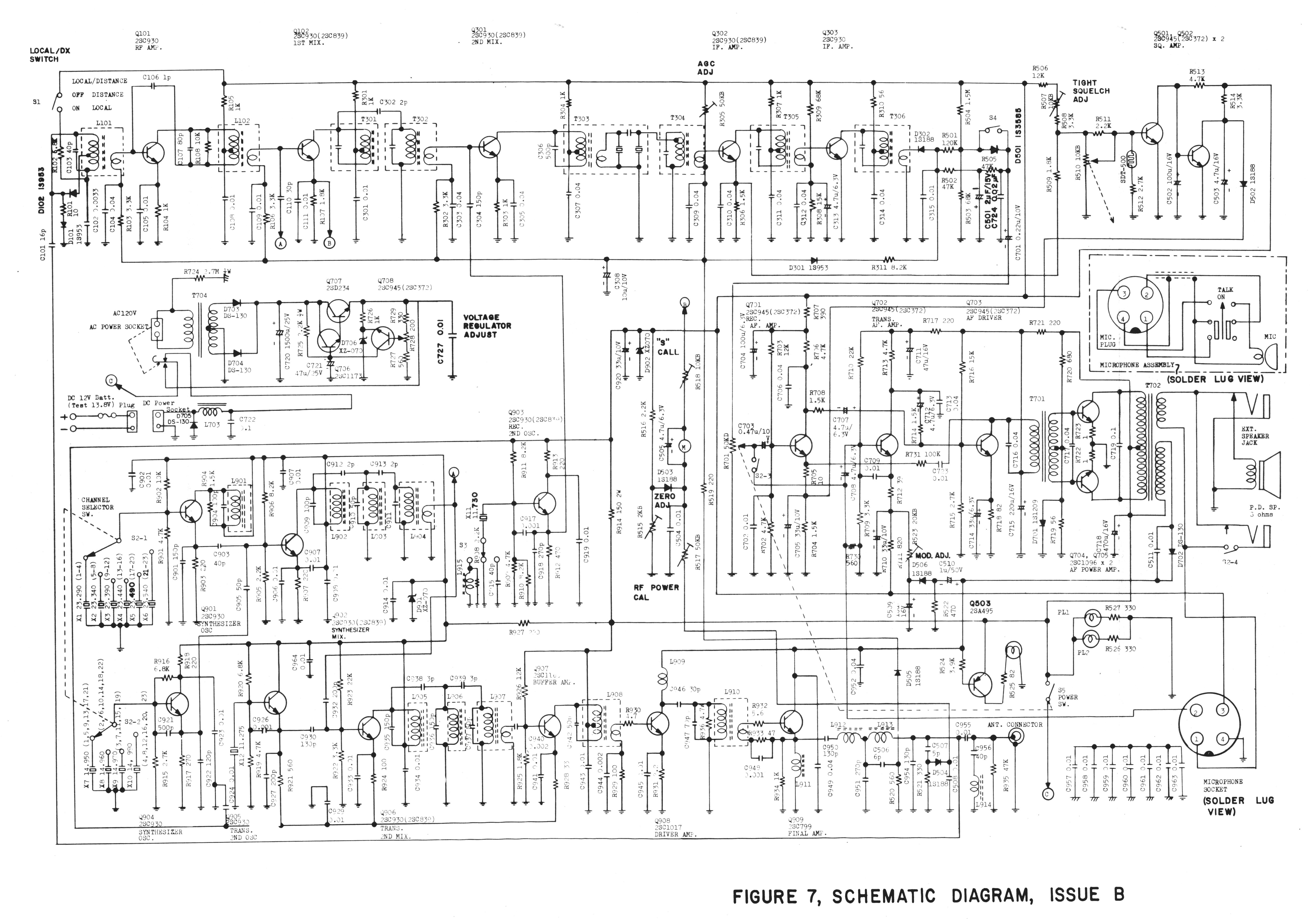
      Page 22 Schematic Diagram (11x17)
      Page 22 Schematic Diagram
      Page 24 PCB Layout (11x17)
      Page 25 Chassis Wiring (11x17)

 

 



Copyright © 1998, 1999, 2000, 2001, 2002, 2003, 2004 CBTricks.com

Disclaimer: Although the greatest care has been taken while compiling these documents,

we cannot guarantee that the instructions will work on every radio presented.