Cobra 148GTL
Documentation Project

CBTricks.com

TIPS:
You need to have Acrobat Reader version 5 or newer installed to view the files with icon.

If the files with or icon will not display see the Site FAQ for help on printing, viewing and using this information.


Specifications Sheet Front
Specifications Sheet Back




Owners Manual

DIAGRAMS
      Schematic (Courtesy of Rick Jackson Euro Radio Co)
This schematic has notes & test voltage info.

Courtesy of David, of City Electronics
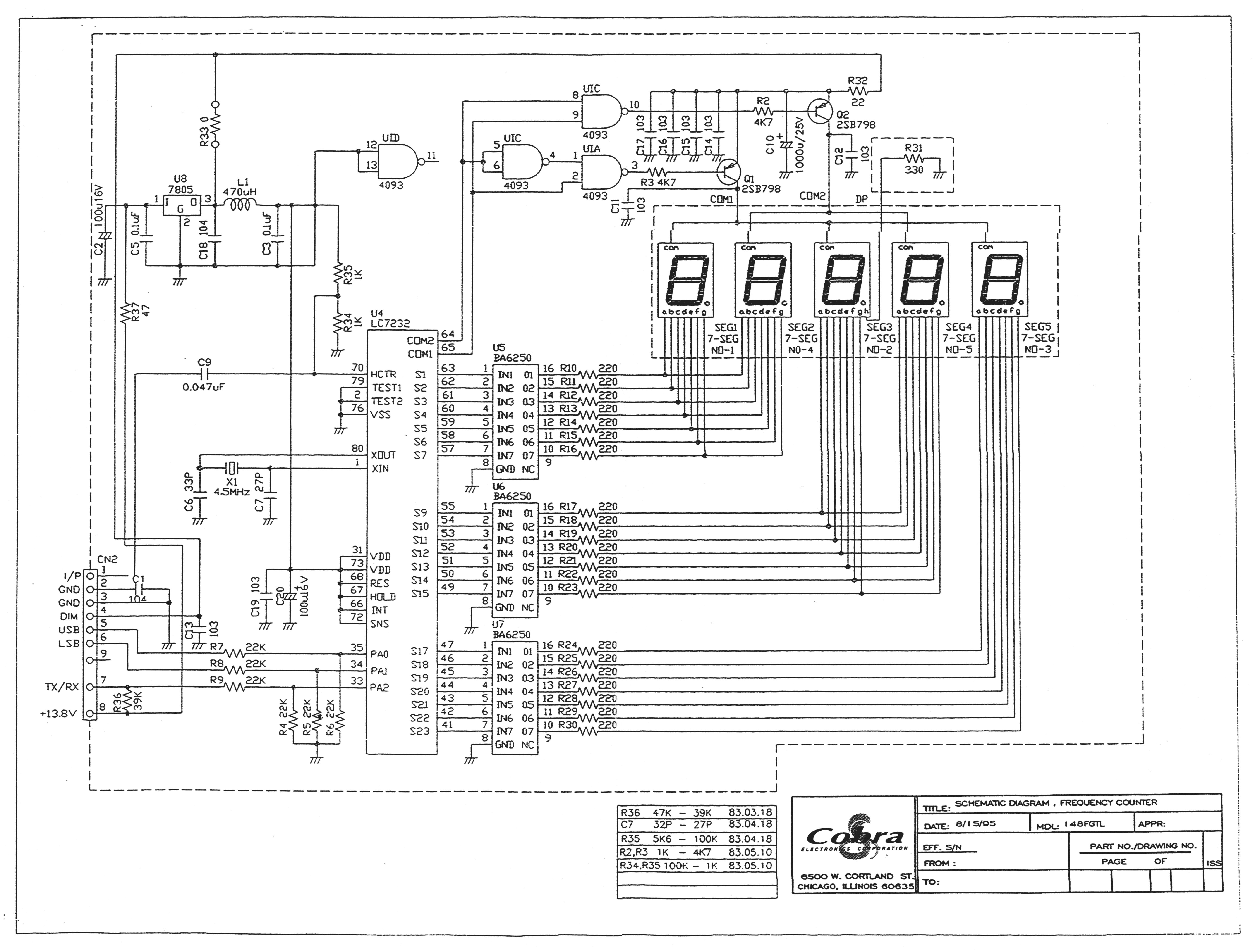
Counter PCB Schematic 148F GTL
Counter PCB Schematic 148F GTL

Factory Diagrams
      Schematic Diagram (8.5x11)
      Schematic Diagram (11x17)
      Schematic Diagram

Factory Service Manual
( Covers 148GTL, 148GTL ST, 148 NW ST) (dated 1997 1998)
      Page 1 to 15
      Page 16 to 30
      Page 31 to 47
      Page 48 to 63

Technical Bulletin #1226

Mic Wiring

Stock
1- Audio
2- Shield
3- Receive
4- Sw Com
5- Transmit

Astatic (4 wire)
1- White
2- N/C
3- Black
4- Shield
5- Red

Astatic (6 wire)
1- White
2- Shield
3- Black
4- Blue
5- Red
Yellow N/C

Daiwa EM-500
Cobra CA Series

1- Red
2- Shield
3- Blue
4- Black
5- White

Galaxy DC-521S (4 wire)
1- Yellow
2- N/C
3- Black
4- Shield
5- Red

Galaxy CB-660EI
1- White
2- Shield
3- Blue
4- Black
5- Red

Sadelta
1- White
2- N/C
3- Green
4- Shield
5- Brown

Turner
1- White
2- Shield
3- Black
4- Red
5- Blue
Yellow NC




Copyright © 1998-2009 CBTricks.com

Disclaimer: CBTricks.com does not warrant the accuracy of the information contained herein nor is it responsible
for any errors or omissions and assumes no liability for the content on this site.
While the CBTricks.com uses reasonable efforts to include accurate and up to date information, CBTricks.com makes no warranties or representations as to its accuracy
or timeliness and assumes no liability or responsibility for any errors or omissions in the Content of this site.

http://www.cbtricks.com