Cherokee Night Rider 150
Documentation Project
CBTricks.com

TIPS:
You need to have Acrobat Reader version 5 or newer installed to view the files with icon.

If the files with or icon will not display see the Site FAQ for help on printing, viewing and using this information.



RADIO MODIFICATIONS
     NPC-RC for Cherokee NR-150 (Thanks Biohazard for this)

DIAGRAMS
     
NR150 Block Diagram
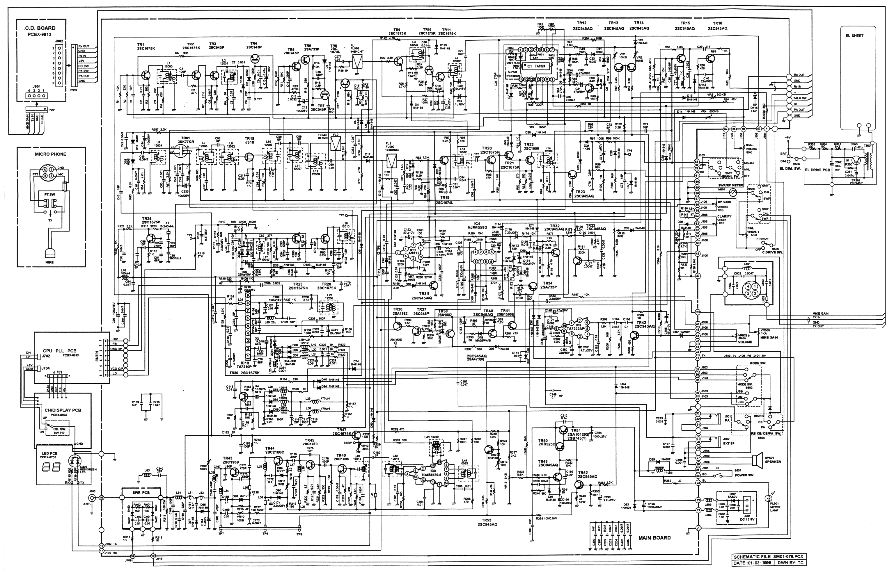
     Main PCB Schematic Diagram
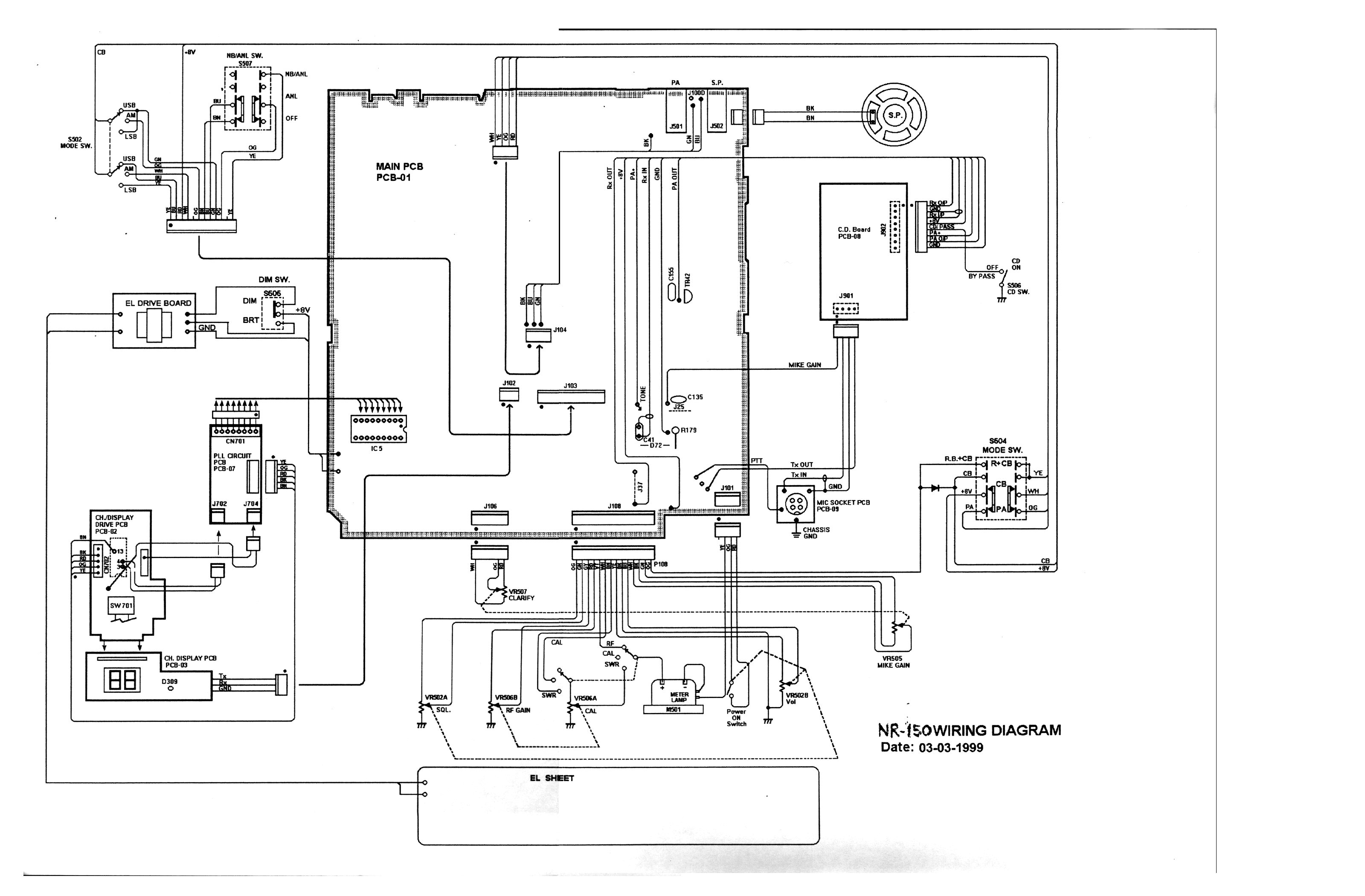
     Radio Wiring Diagram



 



Copyright © 1998, 1999, 2000, 2001, 2002, 2003, 2004 CBTricks.com

Disclaimer: Although the greatest care has been taken while compiling these documents,

we cannot guarantee that the instructions will work on every radio presented.