Members
Publications
Documentation Project
CBTricks.com
|
Russell
Clift AB7IF
|
|
| Discussion
on coax theory, Roger Beep Schematic, Roger Fart Mod http://www.cbtricks.com/ab7if/ |
|
|
Blackbeard
|
|
| Dosy TC-4002-PSW Owner's Manual | |
| Wawasee Electronics JB-1002 FCM Owner's Manual | |
|
Toban's
Web Site
|
|
| http://www.cbtricks.com/members/toban/ Schematics, Questions and Answers |
|
|
Bill
Eitner
|
|
| AM Tutorial | |
| Rick Jackson (Euro Radio Co) | |
| Diagram
of the Cybernet PTBM121D4X Board which used in allot of CB radios of the
mid 1970's to about 1982. This board is found in a number of multimodes,
including the Lafayette 1800, Tristar 747, Hy-Gain V, Concorde II, and
the Colt Excalibur Mk1 and many more. The Part two has some mod and a PCB layout. Cybernet PTBM121D4X Part1 Cybernet PTBM121D4X Part2 Diagram of the 10 Kc jump for the MB8719 PLL Rick's Web-site Euro Radio Co |
|
| Rec Pre-Amp | |
| ERC Voltage Dropper | |
| ERC Two Tone Test Generator | |
| ERC N-Channel Mosfet Tester | |
| ERC Crystal Tester | |
|
CB
Lincoln43
|
|
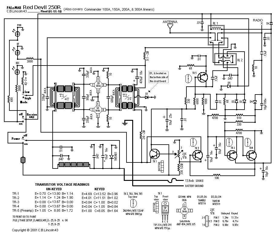
| Red Devll 250R Amp Schematic (Also covers Commander 100A, 150A, 200A, 300A) | |
| Expo A kit install sheet using the ANL switch on the radio | |
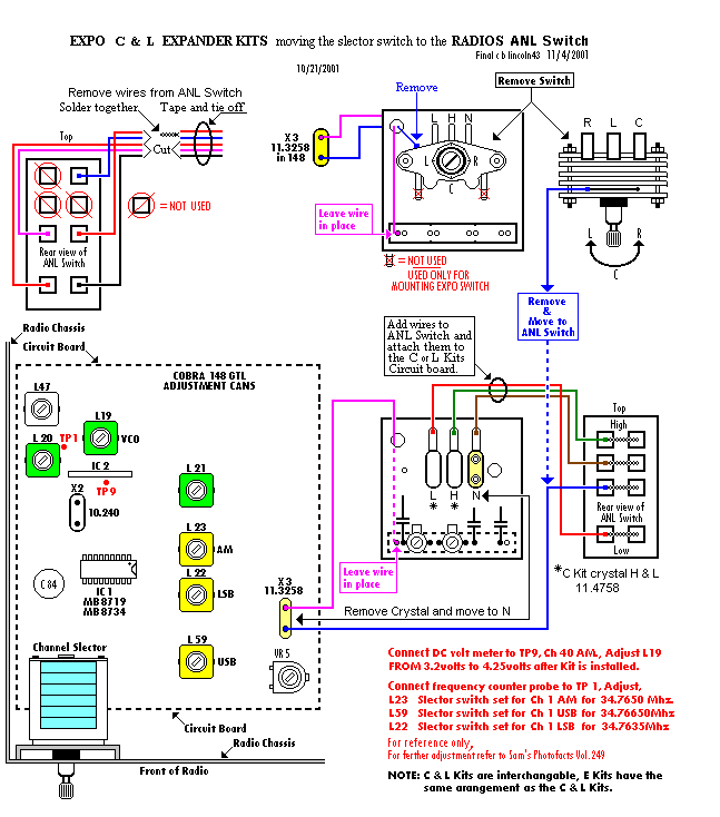
| Expo C and L kit install sheet using the ANL switch on the radio | |
| Expo 100 Frequency Chart For Expo 100 A+ / L and A Kit | |
| Cobra 148GTL Expo 100 L Kit Frequency Chart & 10Kc Jump Mod | |
| Clarifier Conversion For Most Cobra and Uniden Sideband Radios | |
| Poorman's Channel Conversion For the MB8719 PLL | |
| Poorman's Channel Conversion For the MB8719 PLL one more way to do the mod. | |
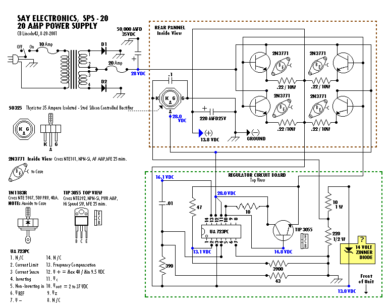
| SAY Electronics SPS-20 20amp Power supply Schematic | |
|
Biohazard613
|
|
| NPC-RC for Cherokee NR-100 | |
| NPC-RC for Cherokee NR-150 | |
|
Don
Craven
|
|
|
Excel Spreadsheet for the binary adder used in Galaxy DX Radios and other Ranger built Radios. (You must have Microsoft Excel to use this.) |
|
|
Handy
Andy
|
|
| UNIDEN
PC-122XL Power Enhancements Andy's old website. Andy started a new life and moved on. He had many Fans and one of them had his website saved. I have tried many times to find him with no luck. |
The purpose of section
is for the free exchange of electronic information
- This section collects and publishes works and experiences in general electronics,
schematics, repair tips, reviews, and modification on radio and amp gear.
- This section is non-profit. Published works are contributed to this web
site freely for the benefit of all.
- The web master reserves the right to accept or decline any works for publication
- The format of presented works may be changed to fit site graphics.
- Description of experiments and experiences should be easy to understand
- This section is solely operated by the web master and menbers that would
like to help.
All commercial rights remain the property of the original author.
Disclaimer:
CBTricks.com does not warrant the accuracy of the information contained
herein nor is it responsible
for any errors or omissions and assumes no liability for the content on
this site.
While the CBTricks.com uses reasonable efforts to include accurate and up
to date information, CBTricks.com makes no warranties or representations
as to its accuracy
or timeliness and assumes no liability or responsibility for any errors
or omissions in the Content of this site.