Wawasee Electronics JB-12
Documentation Project
CBTricks.com

TIPS:
You need to have Acrobat Reader version 5 or newer installed to view the files with icon.

If the files with or icon will not display see the Site FAQ for help on printing and using this information.


JB-12B Owner's Manual

JB-12 and JB-150A Information Sheet

Diagrams
     JB12 Schematic Diagram
     JB12 Schematic Diagram

     JB12B Schematic Diagram
     JB12B Schematic Diagram

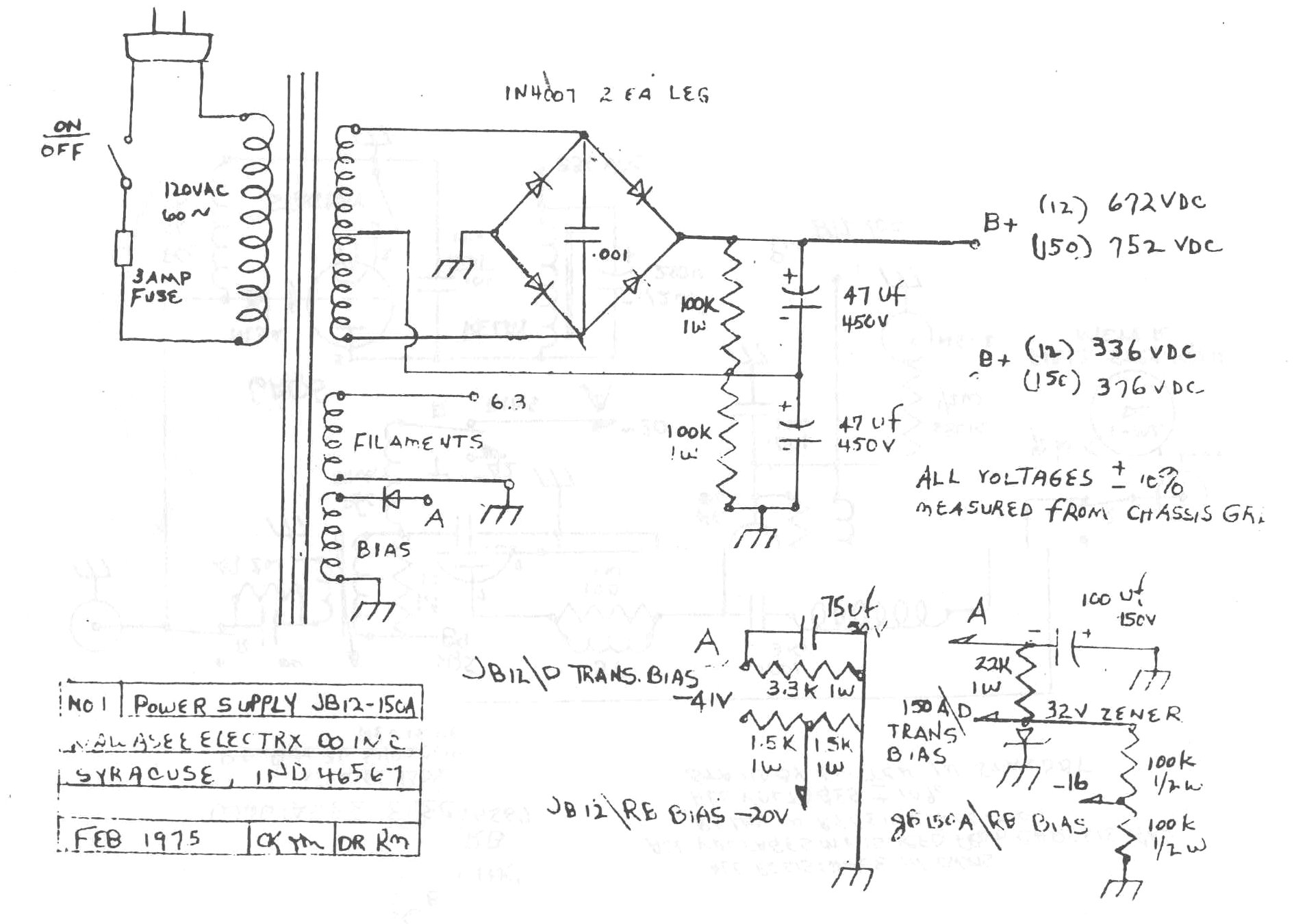
     JB12-150A Power Supply Schematic
     JB12-150A Power Supply Schematic


 



Copyright © 1998, 1999, 2000, 2001, 2002, 2003, 2004, 2005 CBTricks.com

Disclaimer: Although the greatest care has been taken while compiling these documents,

we cannot guarantee that the instructions will work on every radio presented.