Texas Star Skeleton 100
Documentation Project

CBTricks.com


Picture Tour

Skeleton 100

Click to see full size

All Skeleton's are very similar. Over the years the transistors changed from SRF2072 to MRF455 to 2sc2290. Maybe a few had SRF2727, (Note: SRFxxxx number from Motorola.) Along with transistors was the relays. At one time Texas Star used two relays, both were SPDT type. And of course, the input transformer turns on the primary changed with the transistors. The output was near equal until Texas Star used the 2290's. Then they called it the Skeleton 220. The model # was the peak power expected with 12 watts PEP SSB input. There where some Skeleton 150's that had 2sc2290's until they ran out of 150 nameplates. Then they started with the Skeleton 220.

Please Note:
You need to have Acrobat Reader version 5 or newer installed to view the files with icon.

If the files with or icon will not display see the Site FAQ for help on printing and using this information.

See section notes for more infomation.
Picture of inside of amp

DIAGRAMS

    
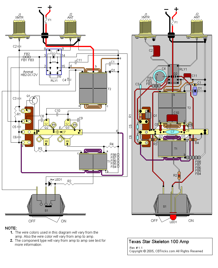
Skeleton 100 Schematic Diagram

    
Skeleton 100 Schematic Diagram
Layouts and Parts


     
Skeleton 100 Inter-Connection Diagram
     Skeleton 100 Cabinet View (8.5x11)


     
Skeleton 100 Parts List
     Component Datasheet Section


     
Skeleton 100 Inter-Connection Diagram
     Skeleton 100 Cabinet View (8.5x11)

Quick Links

Copyright © 2001, 2002, 2003, 2004, 2005, 2006 CBTricks.com
All rights reserved. No part of this publication may be reproduced, stored in a retrieval system or transmitted in any form or by any means, electronic, mechanical, photocopying, or otherwise, without the prior written permission of the copyright holder (CBTricks.com).
All logos and Brand Names are the property of their respective owners.
http://www.cbtricks.com/

Disclaimer: Although the greatest care has been taken while compiling these documents,

we cannot guarantee that the instructions will work on every amp presented.