Outcom OPA202 (Texas Star)
Documentation Project

CBTricks.com

 

OPA202


Please Note:
You need to have Acrobat Reader version 5 or newer installed to view the files with icon.

If the files with or icon will not display see the Site FAQ for help on printing and using this information.

See section notes for more infomation.

Sales Sheet
Information Sheet

DIAGRAMS

 

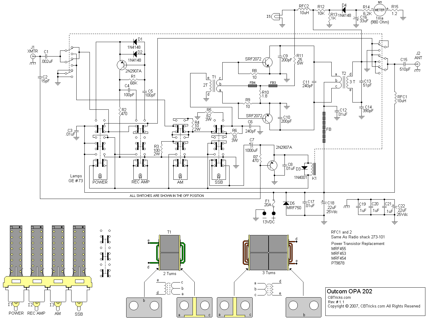
     Schematic Diagram
PCB Layouts and Parts


     OPA202 Cabinet View (8.5x11)

     Component Datasheet Section


     OPA202 Cabinet View

Quick Links

Copyright © 2001, 2002, 2003, 2004, 2005, 2006 CBTricks.com
All rights reserved. No part of this publication may be reproduced, stored in a retrieval system or transmitted in any form or by any means, electronic, mechanical, photocopying, or otherwise, without the prior written permission of the copyright holder (CBTricks.com).
All logos and Brand Names are the property of their respective owners.
http://www.cbtricks.com/

Disclaimer: Although the greatest care has been taken while compiling these documents,

we cannot guarantee that the instructions will work on every amp presented.