Texas Star DX 250 - DX 350
Documentation Project

CBTricks.com

DX 250

Click to see full size

DX 350

Click to see full size


Please Note:
You need to have Acrobat Reader version 5 or newer installed to view the files with icon.

If the files with or icon will not display see the Site FAQ for help on printing and using this information.

The schematics are best if printed on 11x17 (B size) paper. They can be printed on 8.5x11 by clicking "shrink oversize pages to paper size". See section notes for more infomation.

MODIFICATIONS
    CW Transmitter To AMP Conversion  
DIAGRAMS

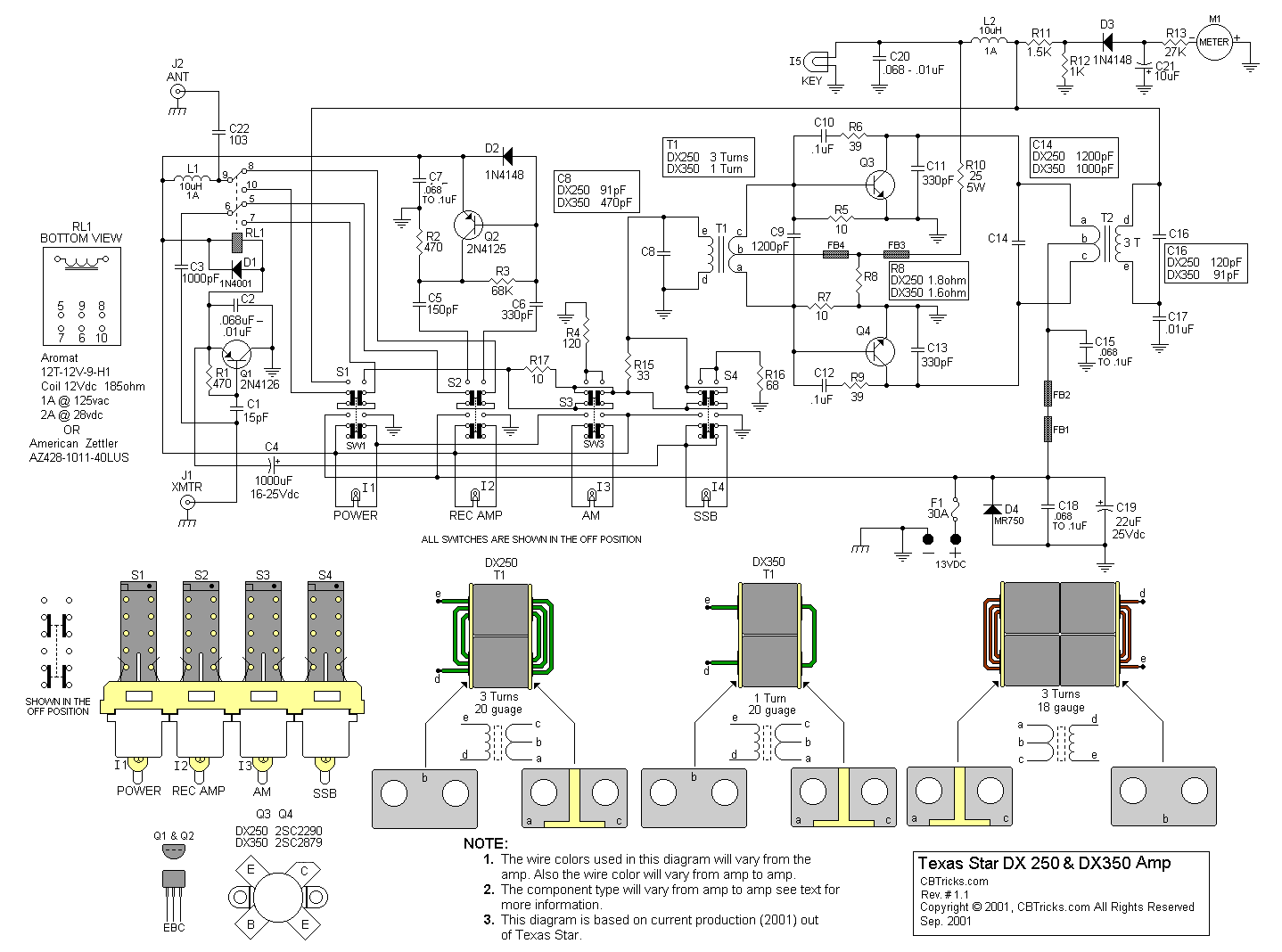
    DX 250 / DX 350 Schematic Diagram (11x17) paper size

 DX 250 / DX 350 Schematic Diagram
PCB Layouts and Parts


     DX 250 PCB Layouts / Inter-Connection Diagram (8.5x11) paper size
     DX 350 PCB Layouts / Inter-Connection Diagram (8.5x11) paper size
     PCB Trace Layouts (Board A) (8.5x11) paper size
     DX 250 / DX 350 Cabinet Views (8.5x11) paper size


     DX 250 / DX 350 Parts List
     Component Datasheet Section


     DX 250 PCB Layouts / Inter-Connection Diagram
     DX 350 PCB Layouts / Inter-Connection Diagram
     PCB Trace Layouts (Board A)
     DX 250 / DX 350 Cabinet Views

 


Quick Links

Copyright © 2001, 2002, 2003, 2004, 2005, 2006 CBTricks.com
All rights reserved. No part of this publication may be reproduced, stored in a retrieval system or transmitted in any form or by any means, electronic, mechanical, photocopying, or otherwise, without the prior written permission of the copyright holder (CBTricks.com).
All logos and Brand Names are the property of their respective owners.
http://www.cbtricks.com/

Disclaimer: Although the greatest care has been taken while compiling these documents,

we cannot guarantee that the instructions will work on every amp presented.