Texas Star DX 1600X SWEET SIXTEEN Class AB/C
Documentation Project

CBTricks.com


NOTE:
I will activate links as I get the infomation done.

DX1600 / DX1600X Comparison
Power by Class Comparison
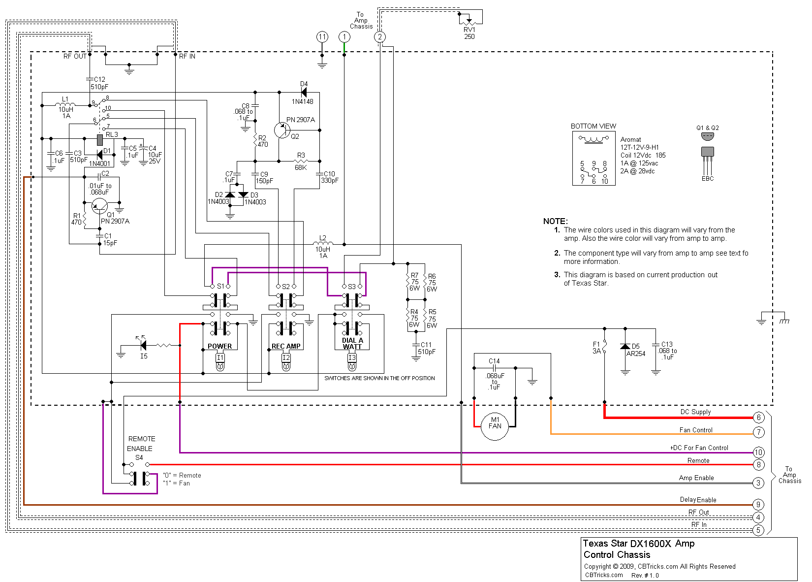
Remote Control Schematic

Picture Tour of The DX 1600X

 

DX 1600X

Click Picture to see full size


Please Note:
You need to have Acrobat Reader version 5 or newer installed to view the files with icon.

If the files with or icon will not display see the Site FAQ for help on printing and using this information.

The schematics are best if printed on 11x17 (B size) paper. They can be printed on 8.5x11 by clicking "shrink oversize pages to paper size". See section notes for more infomation.

MODIFICATIONS

   CW Transmitter To AMP Conversion

 

DIAGRAMS

    Schematic Diagram (Control Chassis) (11x17)
    Schematic Diagram (Amp Chassis) (11x17)


    Schematic Diagram (Control Chassis)
    Schematic Diagram (Amp Chassis)
PCB Layouts and Parts


     Amp Chassis PCB Layouts (11x17)
     Control Chassis PCB Layouts (11x17)
     PCB Trace Layouts Control (8.5x11)
     PCB Trace Layouts Amp (8.5x11)
     Cabinet Views (11x17)


     DX 1600X Parts List Amp Chassis
     DX 1600X Parts List Control Chassis
     Component Datasheet Section


     Amp Chassis PCB Layouts
     Control Chassis PCB Layouts
     PCB Trace Layouts Control
     PCB Trace Layouts Amp
     Cabinet Views

Quick Links

Copyright © 2009 CBTricks.com
All rights reserved. No part of this publication may be reproduced, stored in a retrieval system or transmitted in any form or by any means, electronic, mechanical, photocopying, or otherwise, without the prior written permission of the copyright holder (CBTricks.com).
All logos and Brand Names are the property of their respective owners.
http://www.cbtricks.com/

Disclaimer: Although the greatest care has been taken while compiling these documents,

we cannot guarantee that the instructions will work on every amp presented.