Texas Star Amarillo
Documentation Project

CBTricks.com


Picture Tour of The Amarillo

Amarillo

Click to see full size


Please Note:
You need to have Acrobat Reader version 5 or newer installed to view the files with icon.

If the files with or icon will not display see the Site FAQ for help on printing and using this information.

See section notes for more infomation.
Picture of inside of amp

DIAGRAMS

    Schematic Diagram

    Schematic Diagram
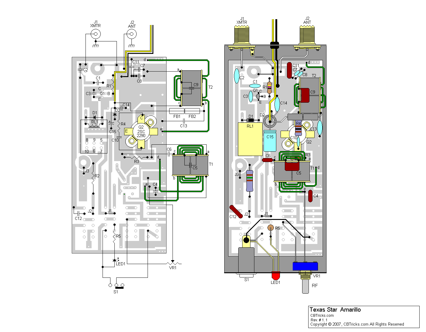
Layouts and Parts


     PCB Layout
     Amarillo Cabinet View (8.5x11)
     Parts List
     Component Datasheet Section


     PCB Layout
     Amarillo Cabinet View

Quick Links

Copyright © 2001, 2002, 2003, 2004, 2005, 2006 CBTricks.com
All rights reserved. No part of this publication may be reproduced, stored in a retrieval system or transmitted in any form or by any means, electronic, mechanical, photocopying, or otherwise, without the prior written permission of the copyright holder (CBTricks.com).
All logos and Brand Names are the property of their respective owners.
http://www.cbtricks.com/

Disclaimer: Although the greatest care has been taken while compiling these documents,

we cannot guarantee that the instructions will work on every amp presented.