Palomar (Other) Schematic Section
Documentation Project
CBTricks.com

TIPS:
You need to have Acrobat Reader version 5 or newer installed to view the files with icon.

If the files with or icon will not display see the Site FAQ for help on printing and using this information.

 

Palomar
  Other amps that are using the Palomar Name
  400
  HD 250 FET
  HD 450 FET
  Blue Lightning
   Elite 500
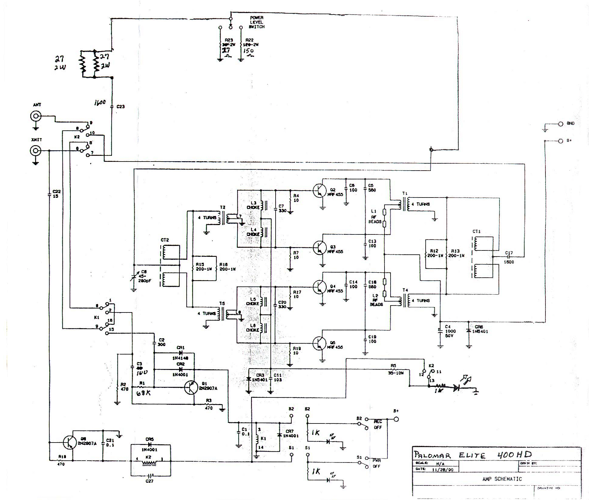
  Elite 400HD
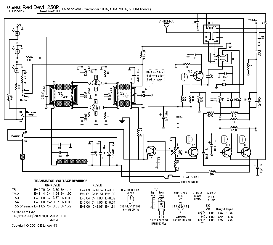
  Red Devll 250R (Also covers Commander 100A, 150A, 200A, 300A)
(Many Thanks to C.B.Lincoln for this drawing)

 


Copyright © 1998 - 2010 CBTricks.com

Disclaimer: Although the greatest care has been taken while compiling these documents,

we cannot guarantee that the instructions will work on every amp presented.