Palomar Electronics Corp. Model 160
Documentation Project
CBTricks.com

TIPS:
You need to have Acrobat Reader version 5 or newer installed to view the files with icon.

If the files with or icon will not display see the Site FAQ for help on printing and using this information.

 





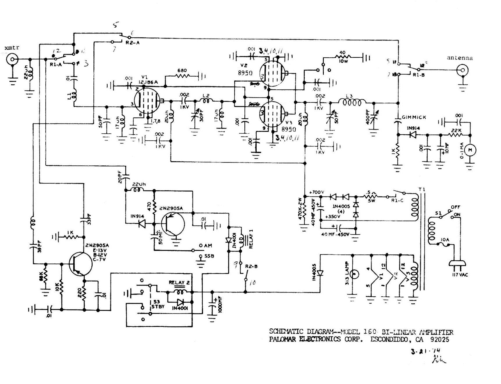
     Schematic Diagram
     Schematic Diagram
     Instruction Sheet


 

 



Copyright © 1998-2008 CBTricks.com

Disclaimer: Although the greatest care has been taken while compiling these documents,

we cannot guarantee that the instructions will work on every radio presented.