Heathkit HA-14
Documentation Project

CBTricks.com

TIPS:
You need to have Acrobat Reader version 5 or newer installed to view the files with icon.

If the files with or icon will not display see the Site FAQ for help on printing, viewing and using this information.



Diagrams
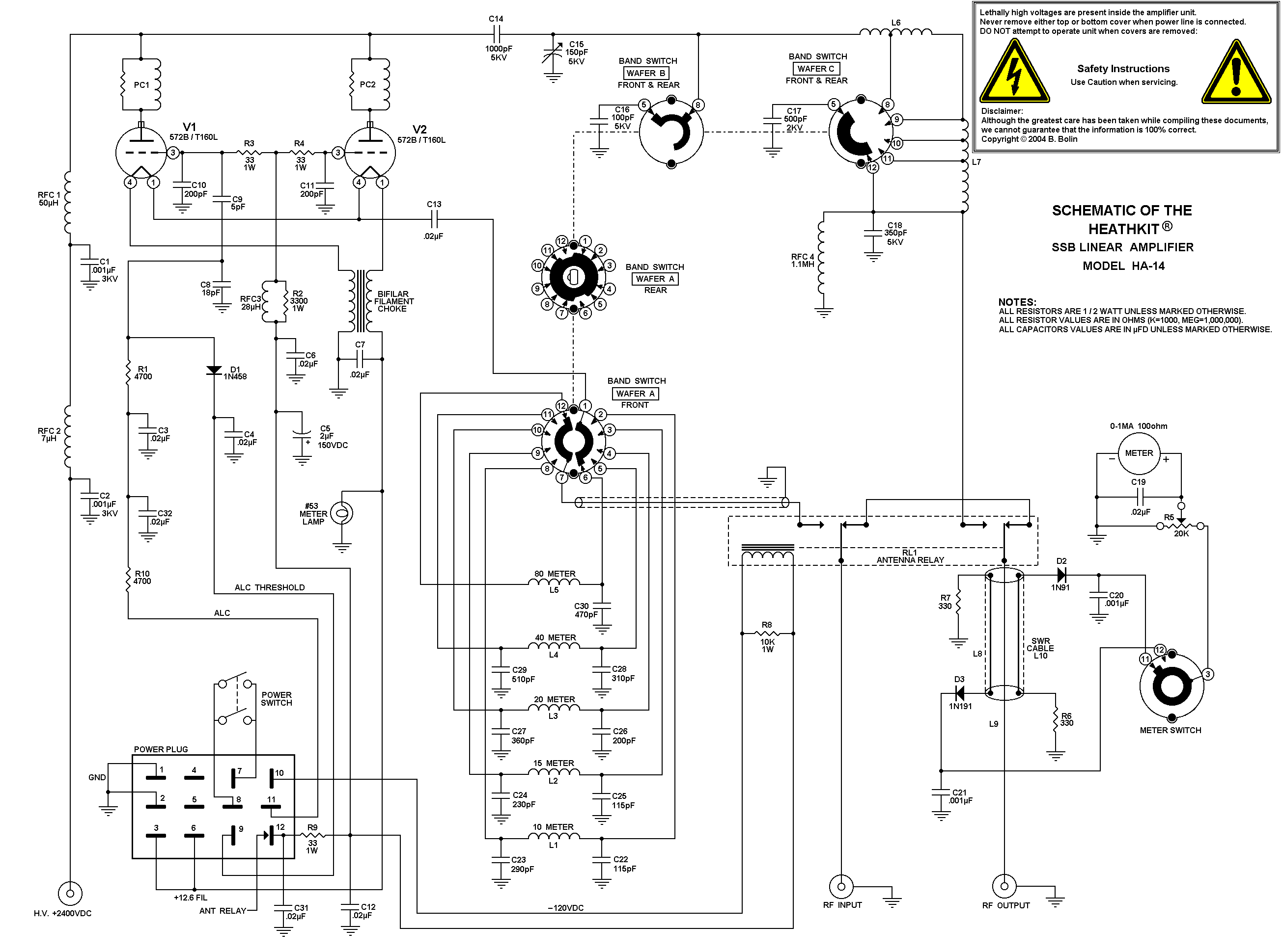
     Schematic Diagram
     Schematic Diagram

 



Copyright © 1998,1999,2000, 2001, 2002, 2003, 2004 CBTricks.com

Disclaimer: Although the greatest care has been taken while compiling these documents,

we cannot guarantee that the instructions will work on every amp presented.