Golden Eagle 1K
Documentation Project

CBTricks.com

TIPS:
You need to have Acrobat Reader version 5 or newer installed to view the files with icon.

If the files with or icon will not display see the Site FAQ for help on printing, viewing and using this information.




DIAGRAMS
    MOD, RX Preamp Schematic Diagram
    MOD, RX Preamp Schematic Diagram
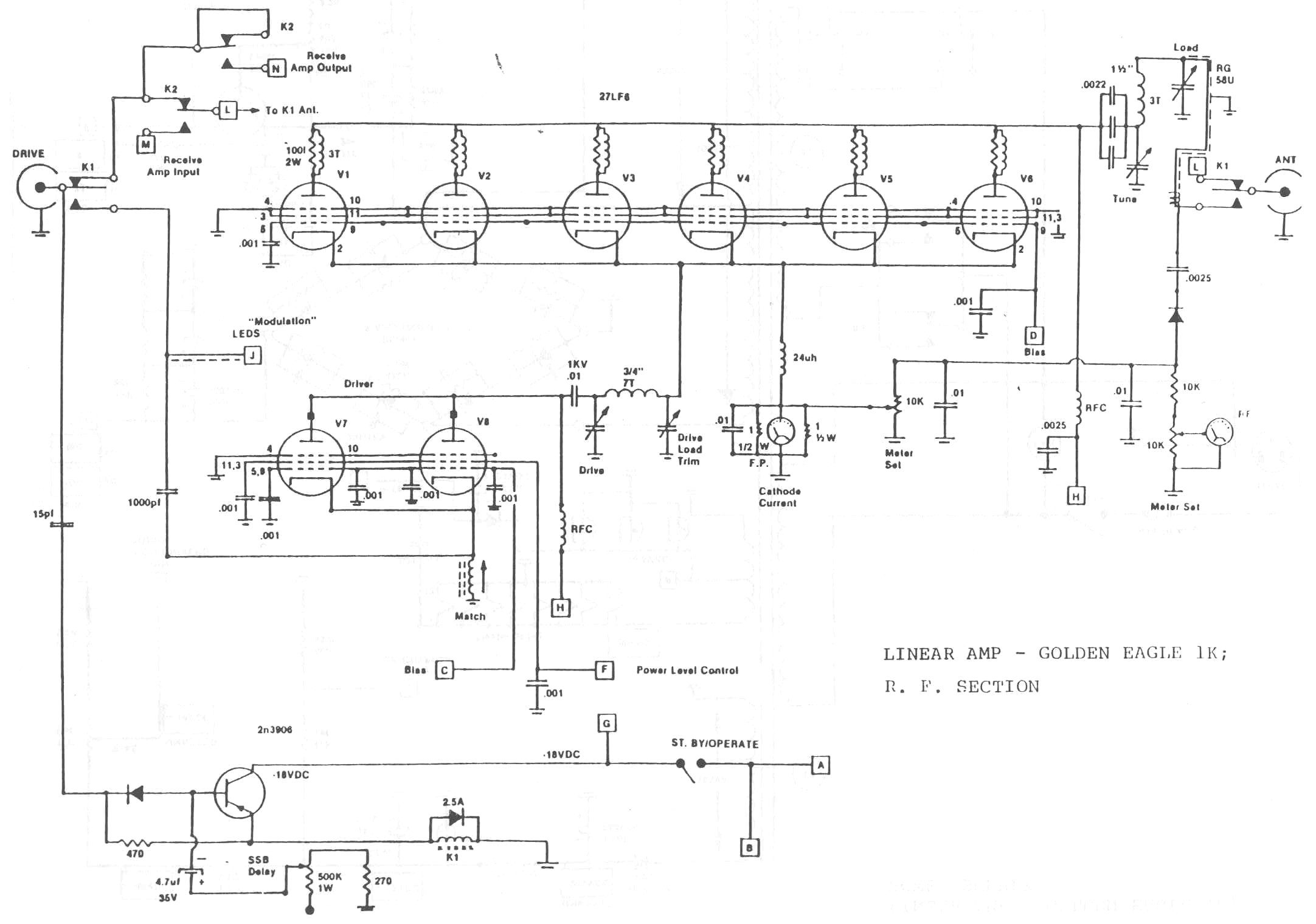
    RF Deck Schematic Diagram
    RF Deck Schematic Diagram
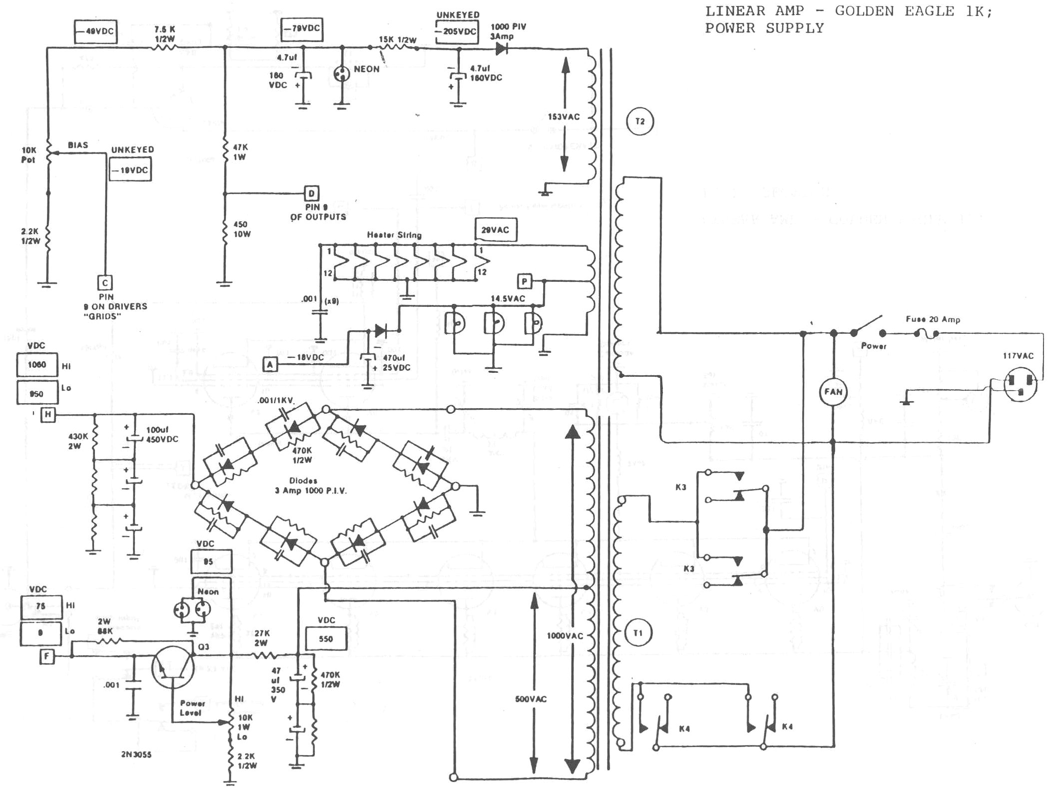
    Power Supply Schematic Diagram
    Power Supply Schematic Diagram

 


Copyright © 1998,1999,2000, 2001, 2002, 2003, 2004 CBTricks.com

Disclaimer: Although the greatest care has been taken while compiling these documents,

we cannot guarantee that the instructions will work on every amp presented.