Brewer Lab's Schematic Section
Documentation Project
CBTricks.com

TIPS:
You need to have Acrobat Reader version 5 or newer installed to view the files with icon.

If the files with or icon will not display see the Site FAQ for help on printing and using this information.

(Thanks to Stovebolt for helping in this section)

Brewer Lab's
Varmint XL150-450
xl150-xl450_sch.jpg (378k)
xl150-xl450_parts.jpg (292k)
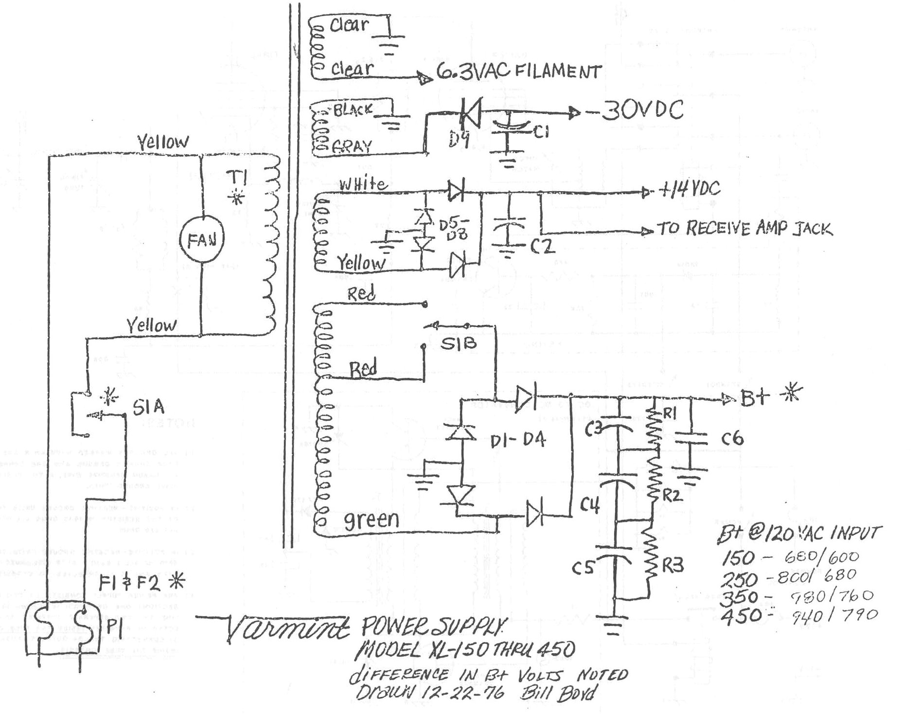
xl150-xl450_power_supply.jpg (270k)
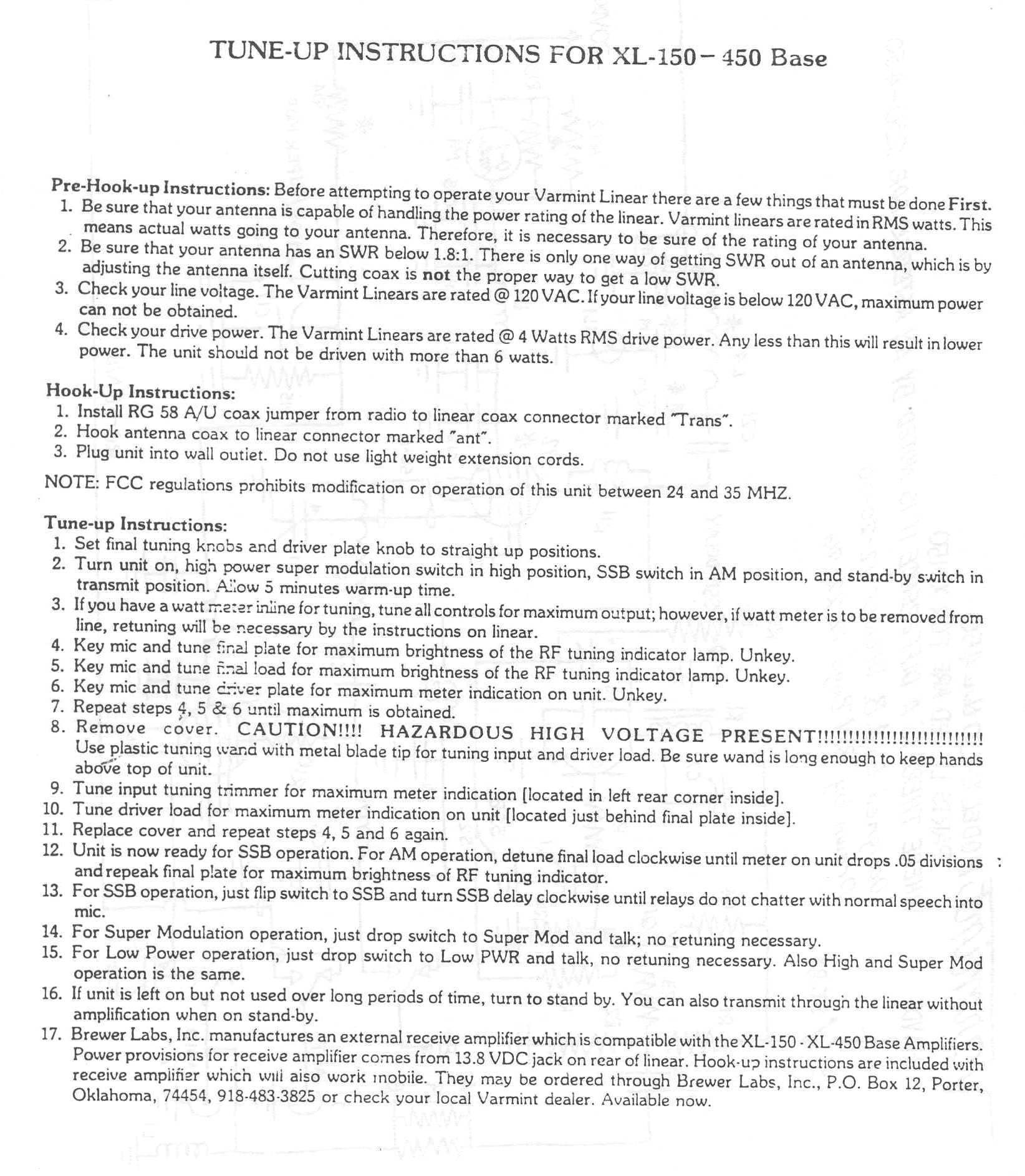
xl150-xl450_tune.jpg (517k)
xl-150-450_base.pdf (2946k)
     

 


Copyright © 1998,1999,2000, 2001, 2002, 2003, 2004 CBTricks.com

Disclaimer: Although the greatest care has been taken while compiling these documents,

we cannot guarantee that the instructions will work on every amp presented.